EasyManua.ls Logo

Commodore CDTV - Page 14

Commodore CDTV
23 pages
Print Icon
To Next Page IconTo Next Page
To Next Page IconTo Next Page
To Previous Page IconTo Previous Page
To Previous Page IconTo Previous Page
Loading...
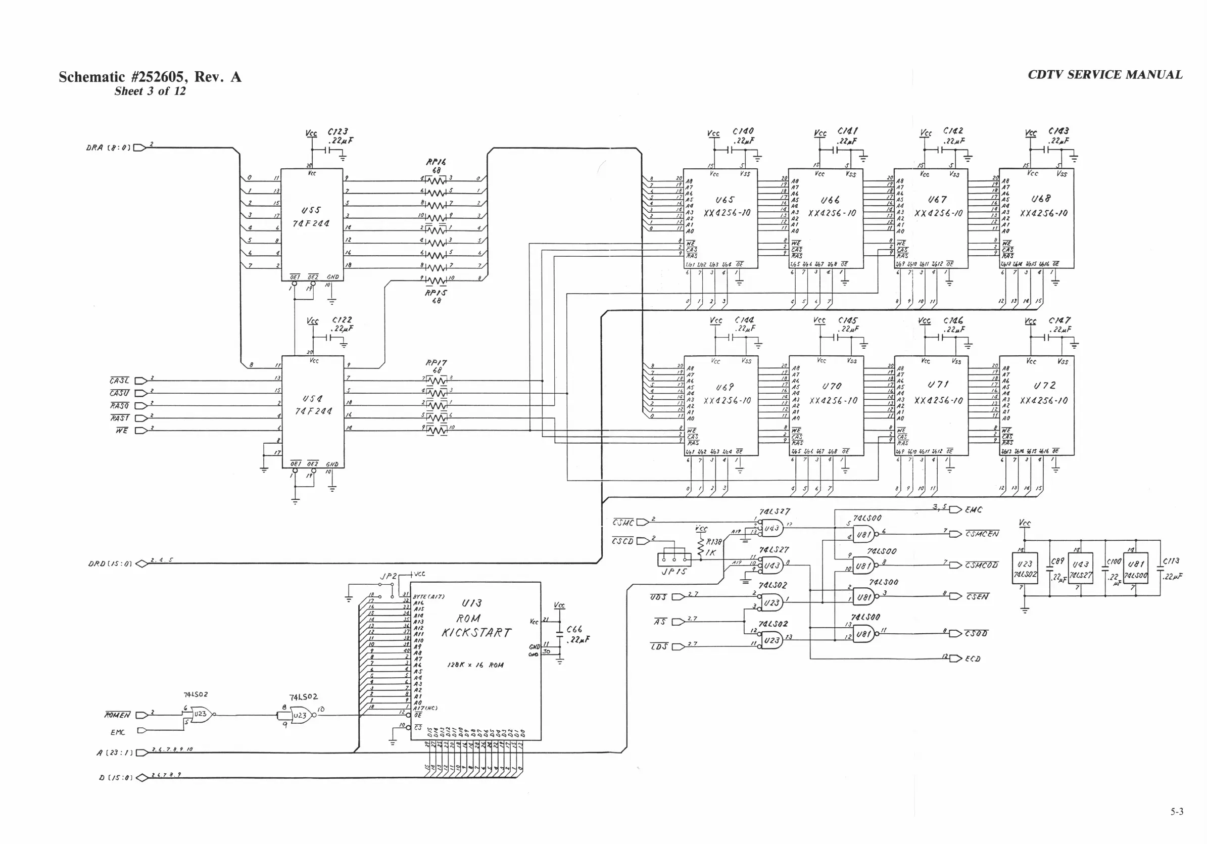
Schem atic #252605, Rev. A
Sheet 3 of 12
CDTV SERVICE MANUAL
DRA C 9 -0 ) o
CA-SL
RÄSl
m o - 2-
DRDUS O
3 r
~2
r
</?3
CS 9
<J43
ctoo
u d t
7U30Z
22mF
7m?7
i
_
:
___
741300
7
7
7
ROMSA/ O "2
-------
EMC C>
A 113 : n O * *- L ' -
O C/S:0) O l2,l<.'
?////////? //////
5-3

Related product manuals