EasyManua.ls Logo

Comprehensive CHE-HDBT200 - Page 8

Comprehensive CHE-HDBT200
9 pages
Print Icon
To Next Page IconTo Next Page
To Next Page IconTo Next Page
To Previous Page IconTo Previous Page
To Previous Page IconTo Previous Page
Loading...
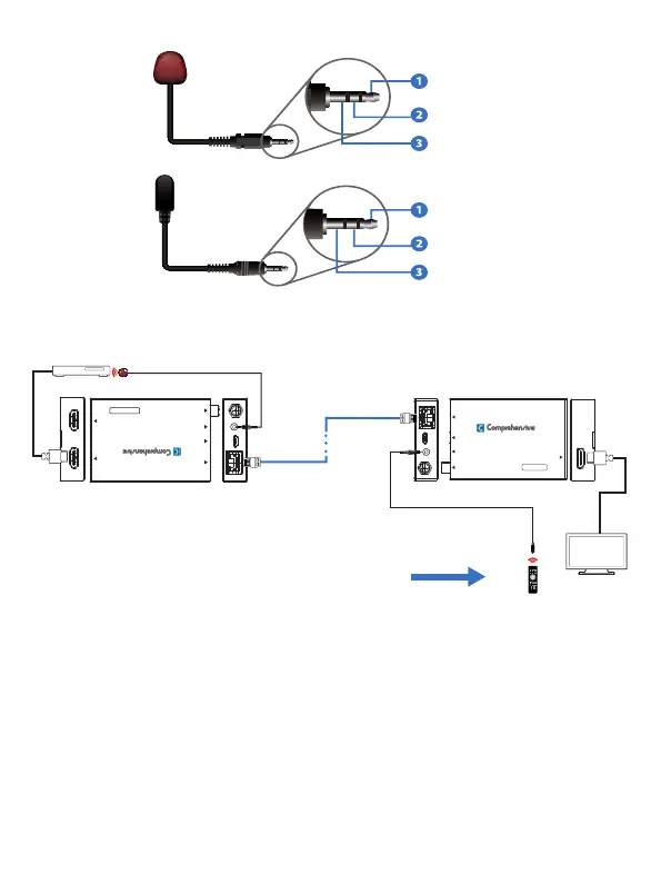
IR Blaster
IR Receiver
TV
HDMI IN
HDMI Extender 50m
Transmitter
HDMI OUT
CAT OUT SERVICE IR OUT DC 12V
HDMI Extender 50m
HDMI OUT
DC 12VIR INSERVICECAT IN
Recei ver
LAN
LAN
DVD
DVD remote
IR blaster cable
IR receiver cable
CAT 5e/6 cable
The following is IR system diagram about IR cable use method.
Note: IR remote sends signal distance for 0~5
meters / 0~8 meters, and angle is plus-minus
45 degrees / vertical direction .
6/7
IR Blaster Signal
Power
NC
IR Signal
Power
Grounding

Related product manuals