EasyManua.ls Logo

Consul 2.30 - Floor Fixing for Chain Liftsh264;H265

Consul 2.30
80 pages
Print Icon
To Next Page IconTo Next Page
To Next Page IconTo Next Page
To Previous Page IconTo Previous Page
To Previous Page IconTo Previous Page
Loading...
OPERATING & INSTALLATION INSTRUCTION 2-POST-LIFT
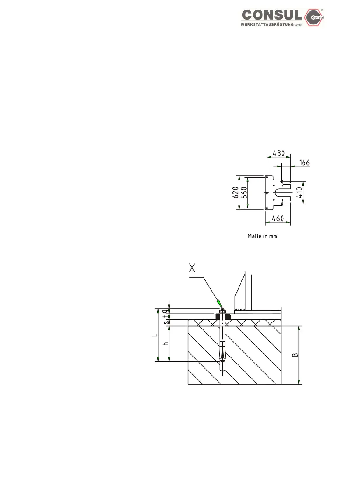
Floor fixing for chain lifts H264/H265
B = thickness of floor covering grad 21 cm
h = anchoring bolt depth by B25
s = thickness of floor material til concrete B25
t = foot plate thickness
g = screw length
L = dowel length
X = according to the instructions of manufacturer
dowel length: L = h + s + t + g
Accordance to type anchor used for the 21 +1 hole in the base plate,
the washer must be of sufficient size.
Subject to change without prior notice!
Page 31

Table of Contents

Related product manuals