EasyManua.ls Logo

Cooper Security 4618 - Page 4

Cooper Security 4618
20 pages
Print Icon
To Next Page IconTo Next Page
To Next Page IconTo Next Page
To Previous Page IconTo Previous Page
To Previous Page IconTo Previous Page
Loading...
4 of 20 496371 Issue 1
The receiver and decoder circuits are on the main circuit card mounted
securely within the lid. The body of the box contains space for:
The power supply (fitted in the 4618-60 only)
A backup battery (not supplied)
The 4618EUR-55, an optional 8-channel relay output card.
There differences between the three variants of the 46RX are:
The 4618-50 power supply enclosure is empty, and there is no mains
cable terminator.
The 4618-60 is fitted with a mains power supply, and mains cable
terminator and fuse.
The 4619-50 has no mains power supply, and no receiver on the main
circuit board.
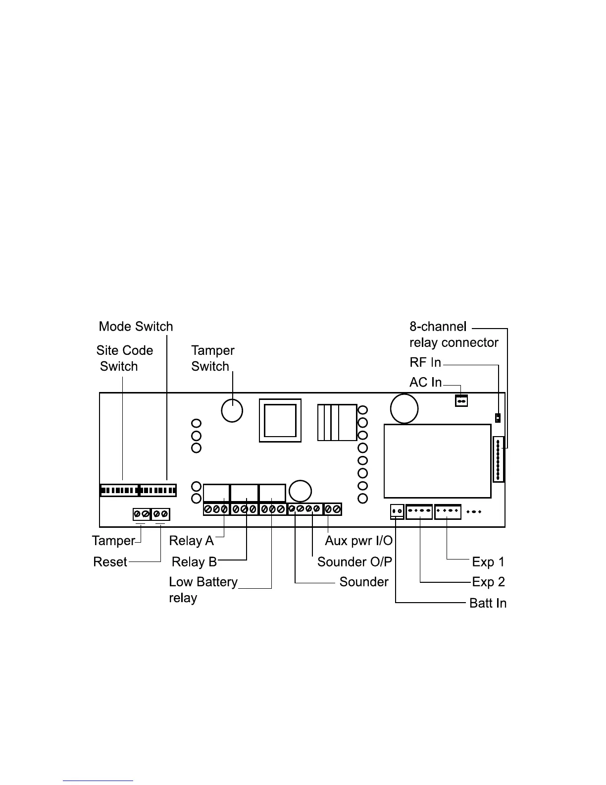
Figure 2 is an expanded view of the main circuit card showing the location of
the connectors and controls.
Figure 2. Main Circuit Card Controls And Connectors
Technical Description 4618

Related product manuals