EasyManua.ls Logo

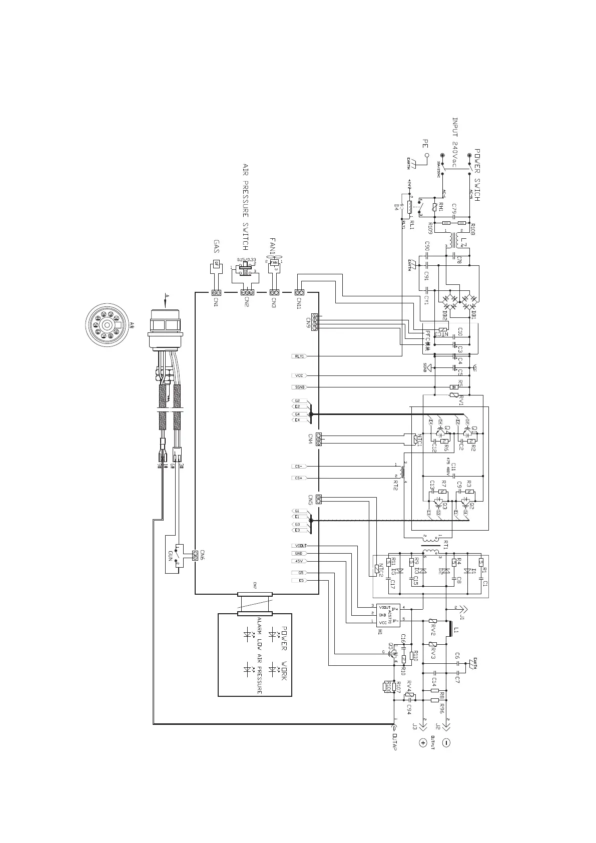
Cornwell Tools MMWP700DVI - Main Circuit Diagram

Cornwell Tools MMWP700DVI
17 pages
Print Icon
To Next Page IconTo Next Page
To Next Page IconTo Next Page
To Previous Page IconTo Previous Page
To Previous Page IconTo Previous Page
Loading...
Page 14 of 17
MAIN CIRCUIT DIAGRAM

Related product manuals