EasyManua.ls Logo

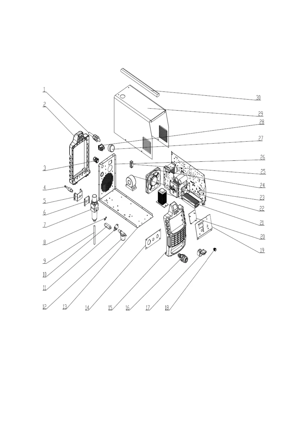
Cornwell Tools MMWP700DVI - Diagram & Parts List

Cornwell Tools MMWP700DVI
17 pages
Print Icon
To Next Page IconTo Next Page
To Next Page IconTo Next Page
To Previous Page IconTo Previous Page
To Previous Page IconTo Previous Page
Loading...
Page 15 of 17
DIAGRAM & PARTS LIST

Related product manuals