EasyManua.ls Logo

Craftsman 152.22018 - Page 15

Craftsman 152.22018
19 pages
Print Icon
To Next Page IconTo Next Page
To Next Page IconTo Next Page
To Previous Page IconTo Previous Page
To Previous Page IconTo Previous Page
Loading...
15
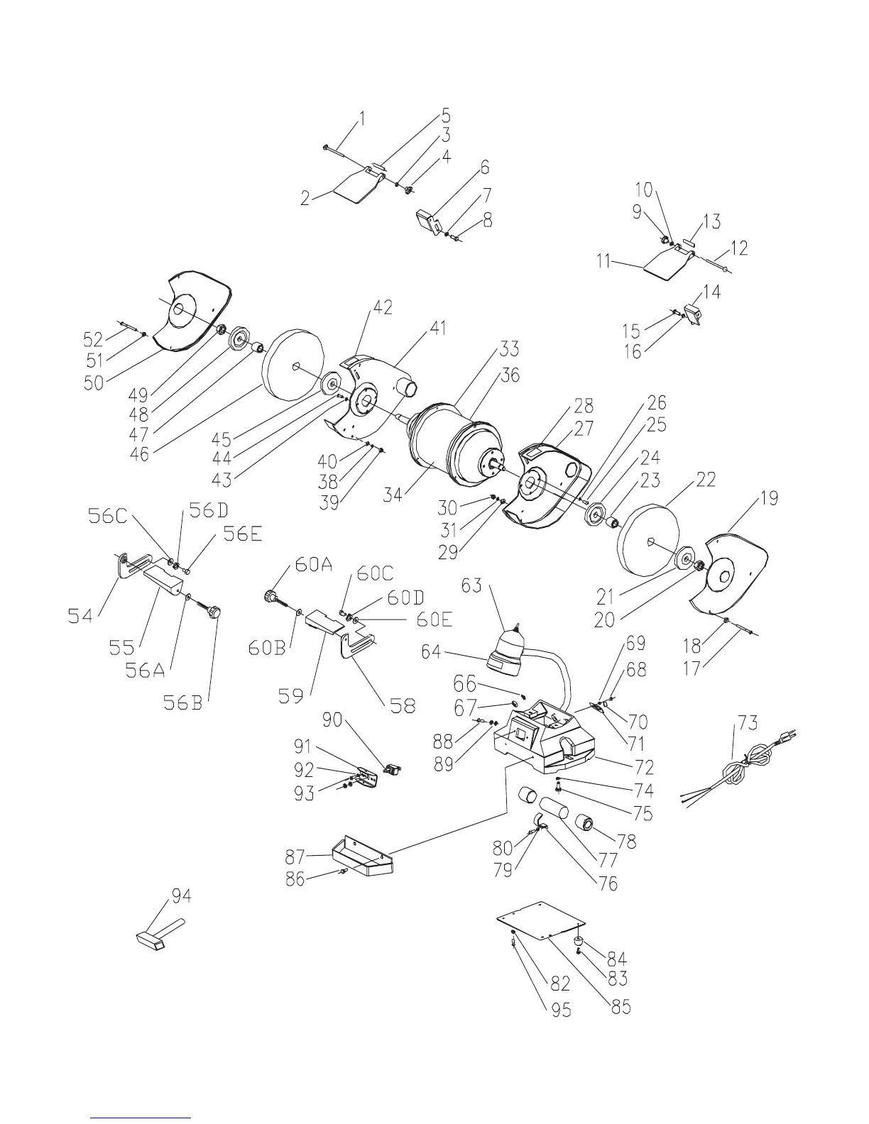
8-IN. PROFESSIONAL BENCH GRINDER PARTS LIST MODEL NO. 152.220180

Related product manuals