EasyManua.ls Logo

Craftsman 580.762012 - Page 30

Craftsman 580.762012
34 pages
Print Icon
To Next Page IconTo Next Page
To Next Page IconTo Next Page
To Previous Page IconTo Previous Page
To Previous Page IconTo Previous Page
Loading...
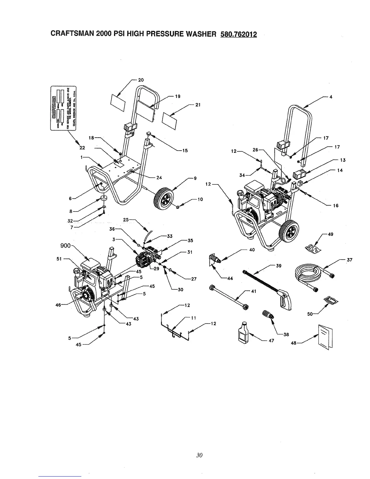
CRAFTSMAN 2000 PSI HiGH PRESSURE WASHER 580.762012
19
15 12_
12
17
17
t3
14
I0
16
5
45
30

Related product manuals