EasyManua.ls Logo

Craftsman 917.273321 - Kohler Engine Components

Craftsman 917.273321
68 pages
Print Icon
To Next Page IconTo Next Page
To Next Page IconTo Next Page
To Previous Page IconTo Previous Page
To Previous Page IconTo Previous Page
Loading...
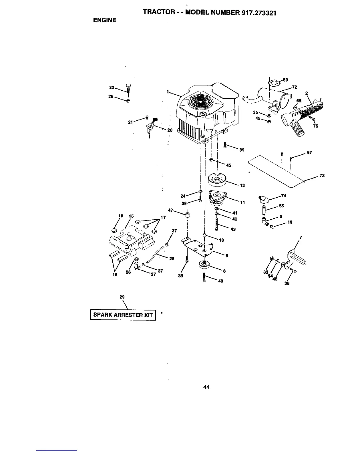
ENGINE
TRACTOR - - MODEL NUMBER 917.273321
18
76
43
7
16 26
37
39
4O
38
29
\
I SPARK ARRESTER KIT I '
44

Related product manuals