EasyManua.ls Logo

Craftsman 917.273321 - Mower Deck Assembly; Mower Deck Parts Breakdown

Craftsman 917.273321
68 pages
Print Icon
To Next Page IconTo Next Page
To Next Page IconTo Next Page
To Previous Page IconTo Previous Page
To Previous Page IconTo Previous Page
Loading...
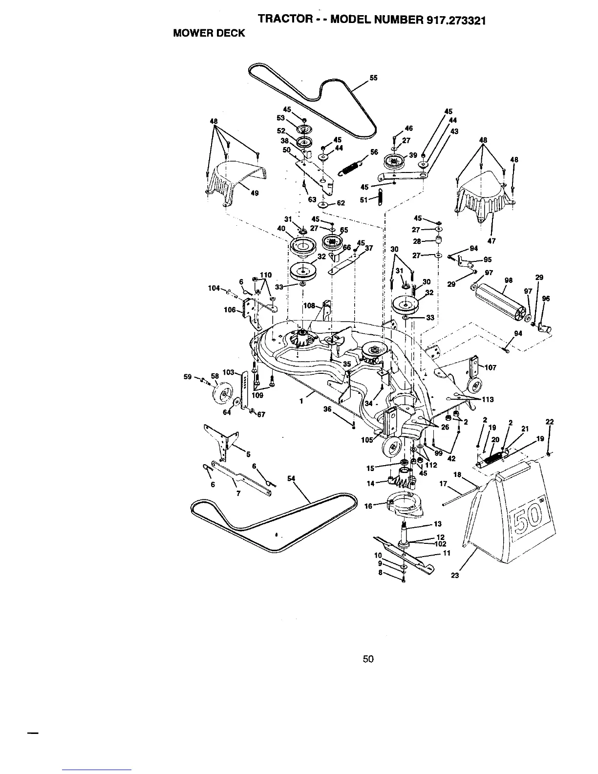
TRACTOR -- MODEL NUMBER 917.273321
MOWER DECK
55
45
48 53,
I
45
44
43
48
47
98 29
96
94
1
36
2 2 22
21
5O

Related product manuals