EasyManua.ls Logo

Craftsman 917.273321 - Hydro Gear Transaxle; Transaxle Parts Breakdown

Craftsman 917.273321
68 pages
Print Icon
To Next Page IconTo Next Page
To Next Page IconTo Next Page
To Previous Page IconTo Previous Page
To Previous Page IconTo Previous Page
Loading...
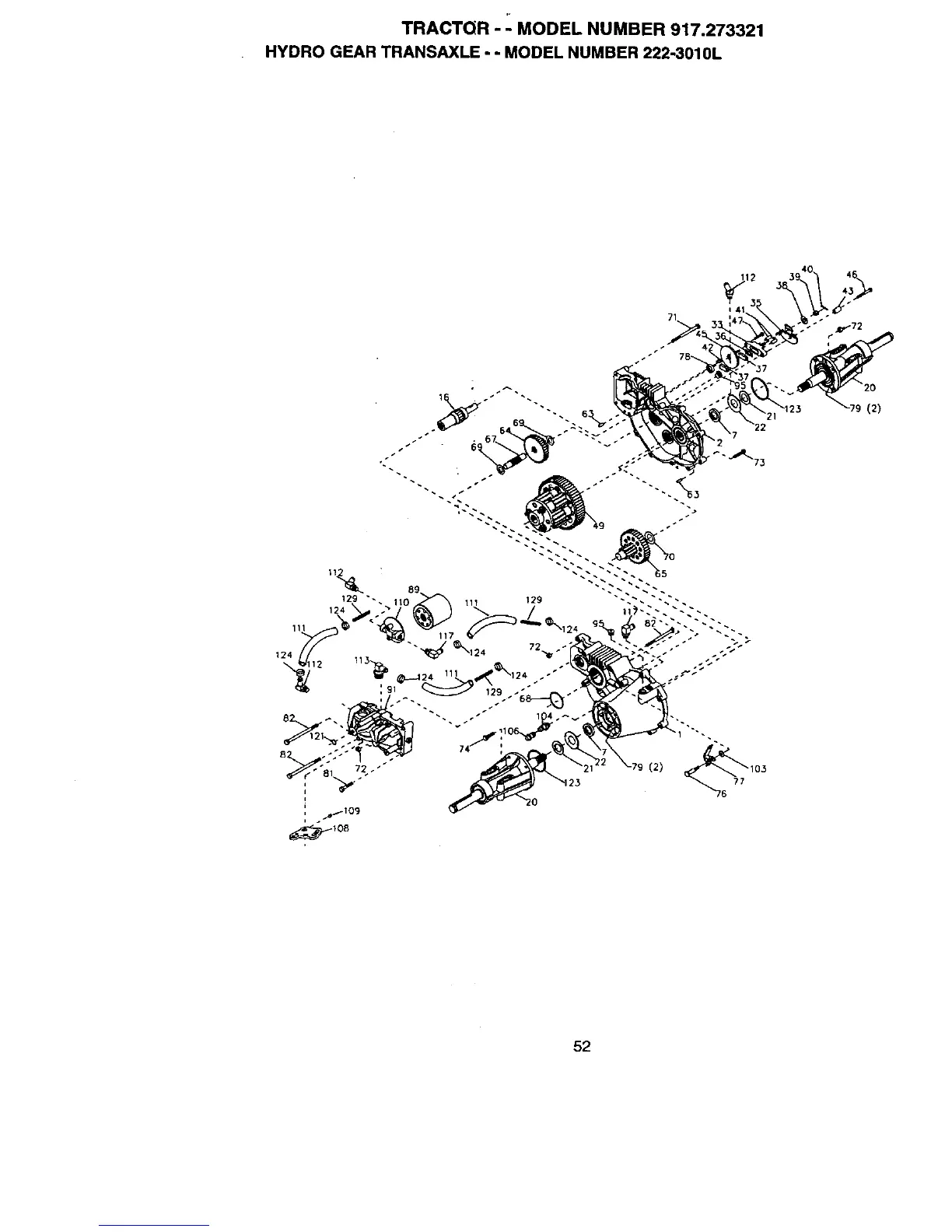
TRACTOR - - MODEL NUMBER 917.273321
HYDRO GEAR TRANSAXLE - - MODEL NUMBER 222-3010L
129 "-
124
111
117
(2)
52

Related product manuals