EasyManua.ls Logo

Craftsman 917.273321 - Page 54

Craftsman 917.273321
68 pages
Print Icon
To Next Page IconTo Next Page
To Next Page IconTo Next Page
To Previous Page IconTo Previous Page
To Previous Page IconTo Previous Page
Loading...
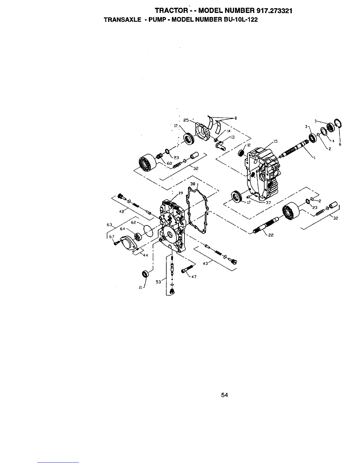
TRACTOR - - MODEL NUMBER 917.273321
TRANSAXLE - PUMP - MODEL NUMBER BU-10L-122
54

Related product manuals