EasyManua.ls Logo

Craftsman 917.275021 - MOWER DECK DIAGRAM

Craftsman 917.275021
64 pages
Print Icon
To Next Page IconTo Next Page
To Next Page IconTo Next Page
To Previous Page IconTo Previous Page
To Previous Page IconTo Previous Page
Loading...
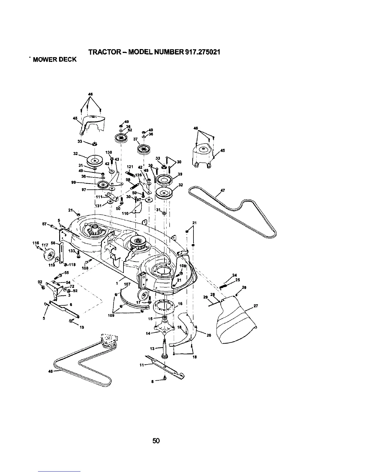
"MOWER DECK
TRACTOR- MODEL NUMBER 917.275021
46
130 i 45
47
116
107
50

Table of Contents

Related product manuals