EasyManua.ls Logo

Craftsman 917.275021 - TRANSAXLE DIAGRAM

Craftsman 917.275021
64 pages
Print Icon
To Next Page IconTo Next Page
To Next Page IconTo Next Page
To Previous Page IconTo Previous Page
To Previous Page IconTo Previous Page
Loading...
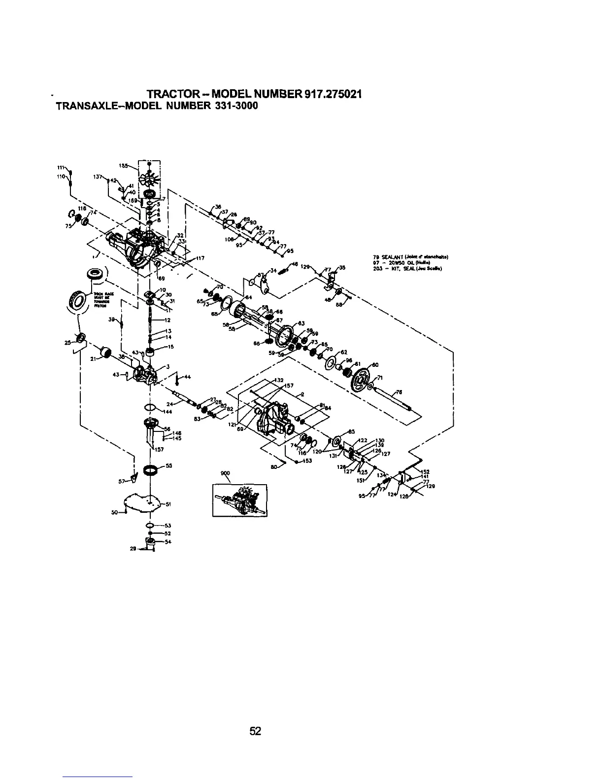
TRACTOR- MODEL NUMBER 917.275021
TRANSAXLE-MODEL NUMBER 331-3000
12
52

Table of Contents

Related product manuals