EasyManua.ls Logo

Craftsman 917.297021 - Mainframe, Right Side

Craftsman 917.297021
56 pages
Print Icon
To Next Page IconTo Next Page
To Next Page IconTo Next Page
To Previous Page IconTo Previous Page
To Previous Page IconTo Previous Page
Loading...
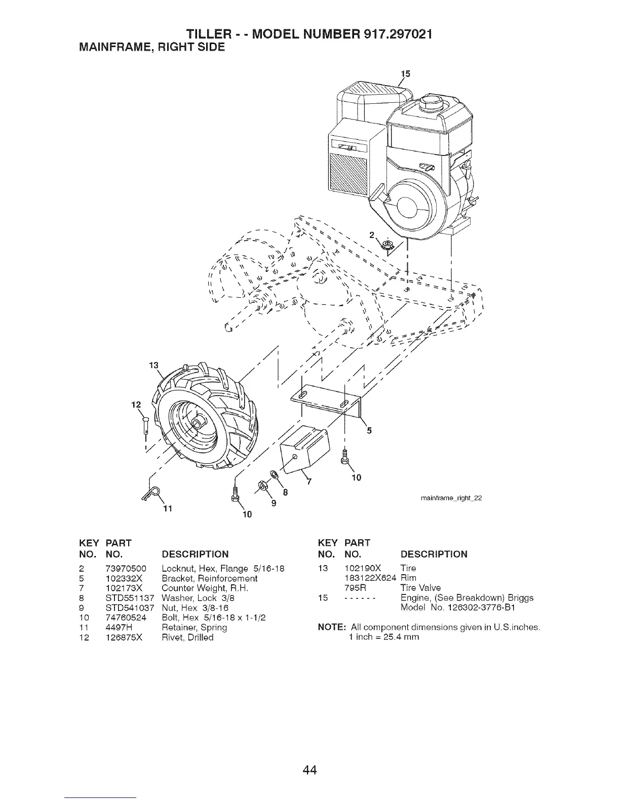
TILLER - - MODEL NUMBER 917.297021
MAINFRAME, RIGHT SIDE
15
11
/
I "
/
10
5
10
8
I
\
/
)
mainframe right 22
KEY PART
NO. NO.
2 73970500
5 102332X
7 102173X
8 STD551137
9 STD541037
10 74760524
11 4497H
12 126875X
DESCRIPTION
Locknut, Hex, Flange 5/16-18
Bracket, Reinforcement
Counter Weight, R.H.
Washer, Lock 3/8
Nut, Hex 3/8-16
Bolt, Hex 5/16-18 x 1-1/2
Retainer, Spring
Rivet, Drilled
KEY PART
NO, NO, DESCRIPTION
13 102190X Tire
183122X624 Rim
795R Tire Valve
15 Engine, (See Breakdown) Briggs
Model No. 126302-3776-B1
NOTE: All component dimensions given in U.S.inches.
1 inch = 25.4 mm
44

Related product manuals