EasyManua.ls Logo

Craftsman 917.297021 - Tine Assembly

Craftsman 917.297021
56 pages
Print Icon
To Next Page IconTo Next Page
To Next Page IconTo Next Page
To Previous Page IconTo Previous Page
To Previous Page IconTo Previous Page
Loading...
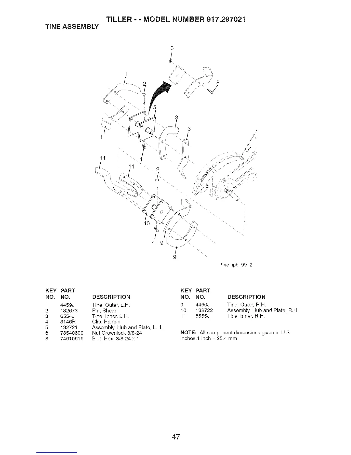
TILLER == MODEL NUMBER 917.297021
TINE ASSEMBLY
10
6
/
8
3
3
?
49
tine_ipb 99 2
KEY
NO.
1
2
3
4
5
6
8
PART
NO,
4459J
132673
6554J
3146R
132721
73540600
74610616
DESCRIPTION
Tine, Outer, LH.
Pin, Shear
Tine, Inner, LH.
Clip, Hairpin
Assembly, Hub and Plate, LH.
Nut Crownlock 3/8-24
Bolt, Hex 3/8-24 x 1
KEY PART
NO. NO.
9 4460J
10 132722
11 6555J
DESCRIPTION
Tine, Outer, R.H.
Assembly, Hub and Plate, R.H.
Tine, Inner, R.H.
NOTE: All component dimensions given in U.S.
inches.1 inch = 25.4 mm
47

Related product manuals