EasyManua.ls Logo

Craftsman 917.298021 - Page 42

Craftsman 917.298021
52 pages
Print Icon
To Next Page IconTo Next Page
To Next Page IconTo Next Page
To Previous Page IconTo Previous Page
To Previous Page IconTo Previous Page
Loading...
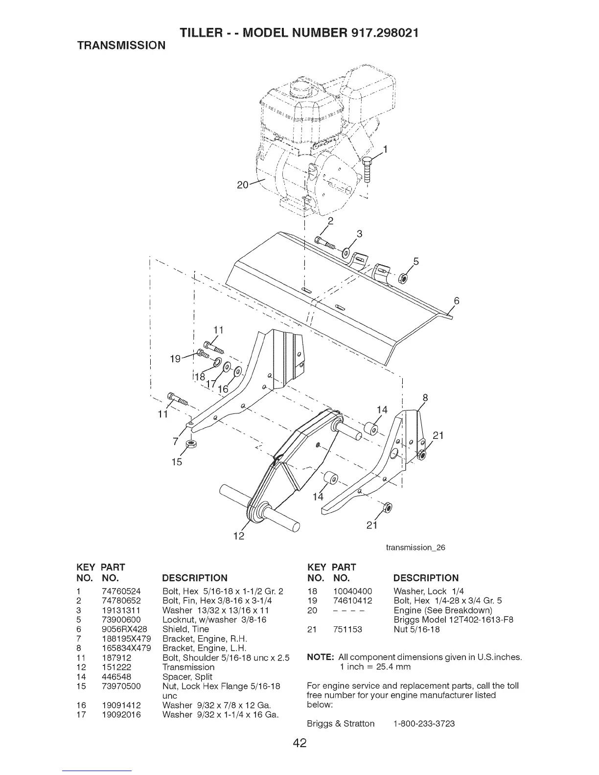
TRANSMiSSiON
TILLER - - MODEL NUMBER 917.298021
11
1
15
14
8
21
KEY PART
NO. NO.
1 74760524
2 74780652
3 19131311
5 73900600
6 9056RX428
7 188195X479
8 165834X479
11 187912
12 151222
14 446548
15 73970500
16 19091412
17 19092016
12
DESCRiPTiON
Bolt, Hex 5/16-18 x 1-1/2 Gr. 2
Bolt, Fin, Hex 3/8-16 x 3-1/4
Washer 13/32 x 13/16 x 11
Locknut, w/washer 3/8-16
Shield, Tine
Bracket, Engine, R.H.
Bracket, Engine, L.H.
Bolt, Shoulder 5/16-18 unc x 2.5
Transmission
Spacer, Split
Nut, Lock Hex Flange 5/16-18
unc
Washer 9/32 x 7/8 x 12 Ga.
Washer 9/32 x 1-1/4 x 16 Ga.
KEY PART
NO. NO.
18 10040400
19 74610412
2O
21 751153
21
transmission 26
DESCRiPTiON
Washer, Lock 1/4
Bolt, Hex 1/4-28 x 3/4 Gr. 5
Engine (See Breakdown)
Briggs Model 12T402-1613-F8
Nut 5/16-18
NOTE: All component dimensions given in U.S.inches.
1 inch = 25.4 mm
For engine service and replacement parts, call the toll
free number for your engine manufacturer listed
below:
Briggs & Stratton 1-800-233-3723
42

Related product manuals