EasyManua.ls Logo

Crate BT220H - Bass Amplifier; System Block Diagram

Crate BT220H
8 pages
Print Icon
To Next Page IconTo Next Page
To Next Page IconTo Next Page
To Previous Page IconTo Previous Page
To Previous Page IconTo Previous Page
Loading...
BT220H
Bass Amplifier
7
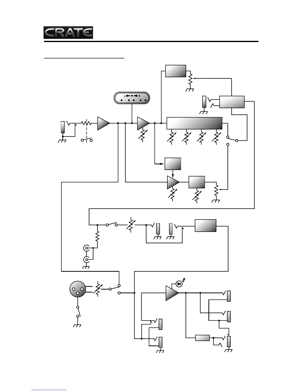
System Block Diagram:
BUFFER
INPUT
-15dB PAD
LEVEL
LOW LOW
MID
HIGH
MID
HIGH
CHANNEL
SWITCH
PRE
LIMIT
POST
MUTE
EQ
NOISE
GATE
GAIN
DISTORTION
LEVEL
TUNER
A BC D EF G
SHAPE
LEVEL
OCTAVE
MASTER
BALANCED
LINE OUT
VOLUME
BALANCED
LINE OUT
GND/
GND
LIFT
EFFECTS
BLEND
EXTERNAL
SPEAKER
EXTERNAL
SPEAKER
SEND
HEAD
PHONES
POWER
AMP
ATTENUATOR
PREAMP
OUT
POWER
AMP IN
RETURN
CD
INPUT
EFFECTS LOOP
FOOT
SWITCH
SWITCHING
CIRCUITRY

Related product manuals