EasyManua.ls Logo

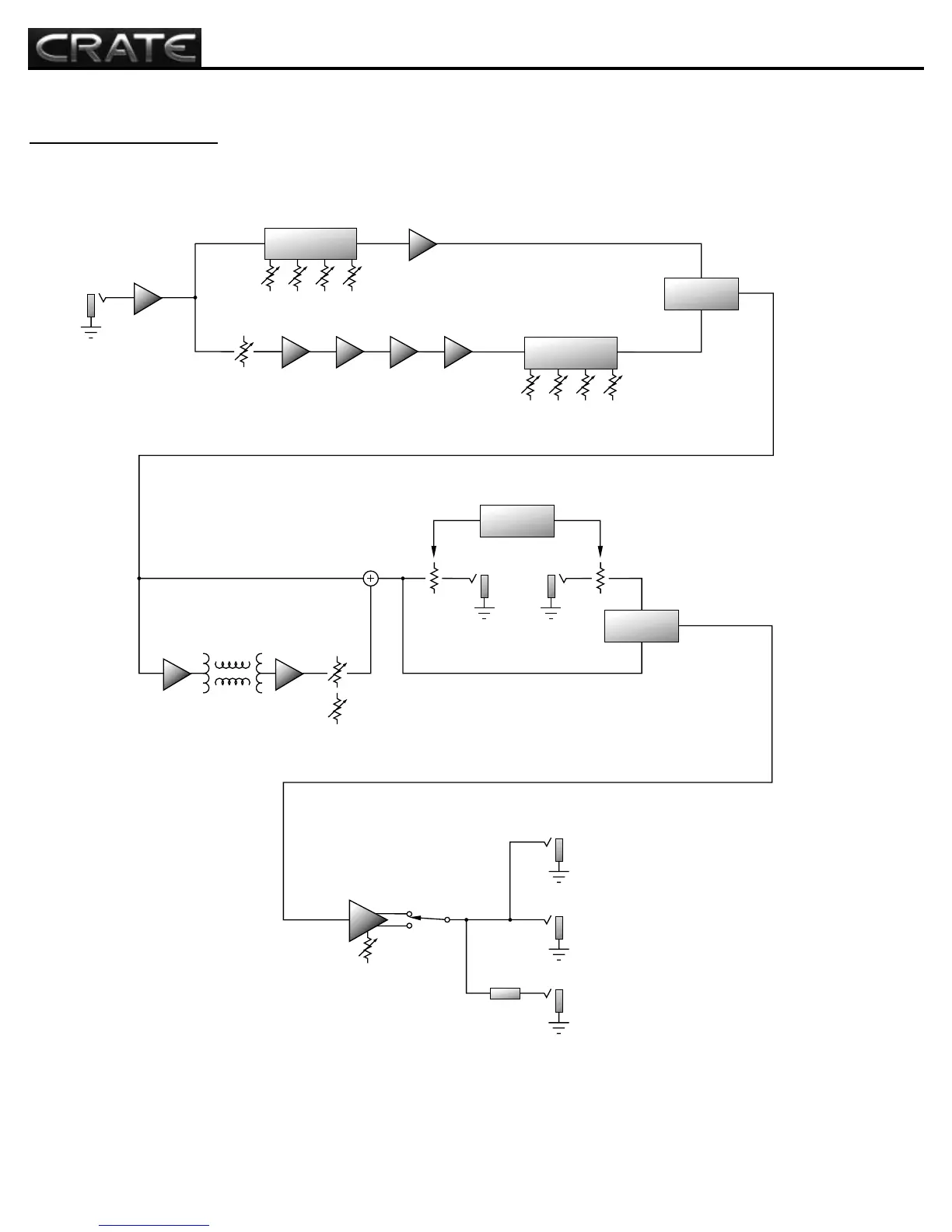
Crate BV120H - System Block Diagram

Crate BV120H
12 pages
Print Icon
To Next Page IconTo Next Page
To Next Page IconTo Next Page
To Previous Page IconTo Previous Page
To Previous Page IconTo Previous Page
Loading...
BV120H All Tube Guitar Amplifier
System Block Diagram:
INPUT
MID
BASS TREBLE LEVEL
REVERB
LEVEL 1
REVERB
LEVEL 2
PRESENCE
SEND RETURN
EFFECTS
LOOP
TUBE
STAGE
CH.1
CH.2
TUBE
STAGE
TUBE
STAGE
TUBE
STAGE
TUBE
STAGE
TUBE
STAGE
CHANNEL
SWITCHING
PAD
SWITCHING
EFFECTS
SWITCHING
FREQUENCY
COMPENSATOR
POWER
AMP
IMPEDANCE
SELECTOR
EXT.
SPKR
OUT
MAIN
SPKR
OUT
BASS
GAIN
LEVEL
MID TREBLE
LINE
OUT
10

Related product manuals