EasyManua.ls Logo

Crate Profiler 5 - System Block Diagram Analysis

Crate Profiler 5
12 pages
Print Icon
To Next Page IconTo Next Page
To Next Page IconTo Next Page
To Previous Page IconTo Previous Page
To Previous Page IconTo Previous Page
Loading...
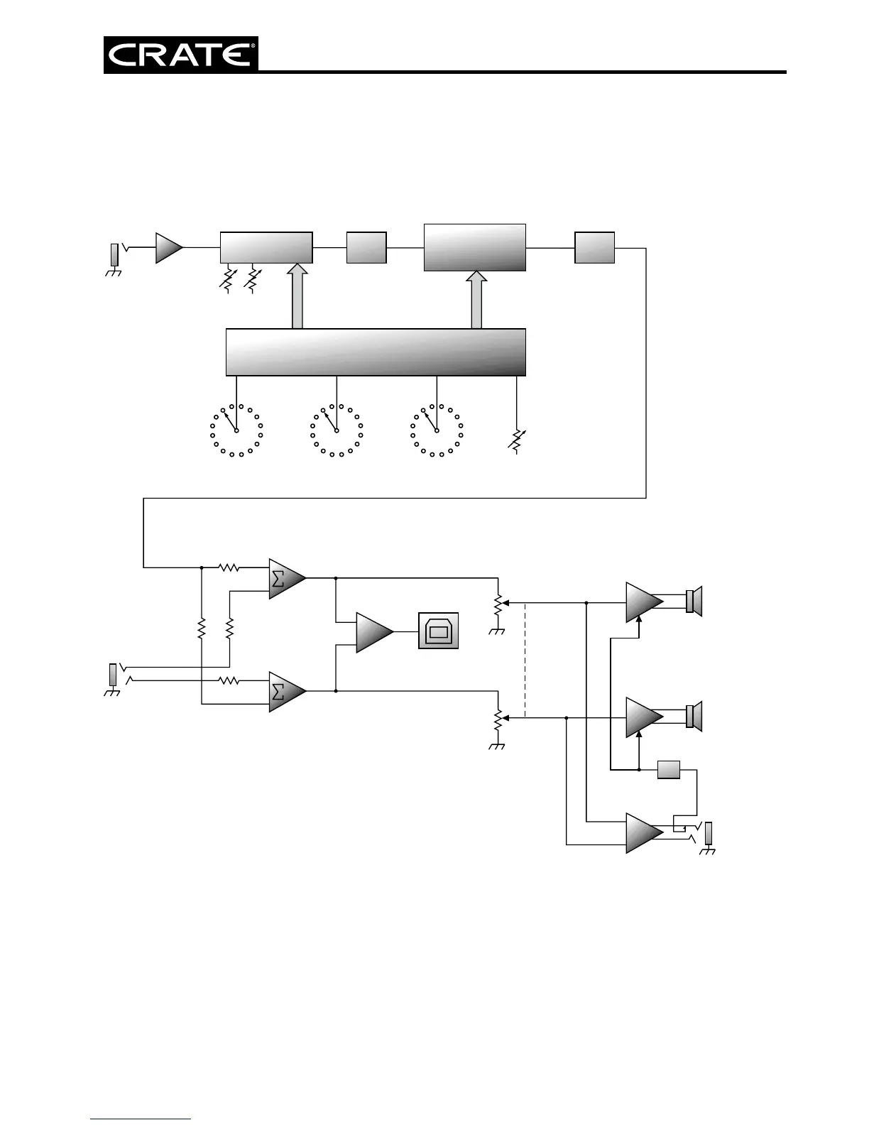
Profiler Model 5 Compact Stereo Guitar Amplifier with DSP
System Block Diagram
INPUT
TONEGAIN
BUFFER
DIGITALLY CONTROLLED
ANALOG FILTERING AND
DISTORTION CIRCUITRY
MIX
USB
DRIVER
USB
OUT
AMP
ADC DAC
RIGHT
SPEAKER
AUDIO
INPUT
DSP
MIX
AMP
MASTER
LEVEL
LEFT
POWER
AMP
RIGHT
POWER
AMP
HEADPHONE
OUT
HEADPHONE
AMP
AMP MUTE
LEFT
SPEAKER
REVERB
MULTI
SINGLE
A-440 Hz
TUNE
CLEAN
MEDIUM GAIN
HIGH GAIN
MICROCONTROLLER
PROFILES DELAY
TREM
RTRY
PHSR
CHO
FLNG
WAH/PHSR
WAH
VIBR
OCT DOWN
CHO/PHSR
EFFECTS
10

Related product manuals