EasyManua.ls Logo

Creda TSRE050 - Page 34

Creda TSRE050
36 pages
Print Icon
To Next Page IconTo Next Page
To Next Page IconTo Next Page
To Previous Page IconTo Previous Page
To Previous Page IconTo Previous Page
Loading...
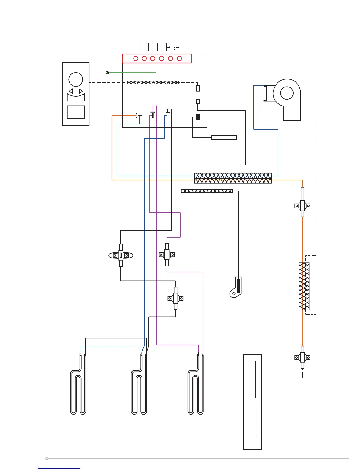
Circuit Diagram - TSRE Series A
INDICATES WHITE WIRE
INDICATES BLACK WIRE
LOWER
LEFT STAT
(130° BLUE)
LOWER
RIGHT STAT
(130° BLUE)
ROOM
THERMISTER
FITTED
TO MAIN
CONTROLLER
MODULE
BOOST LIMIT
STAT (120° GREEN)
MANUAL CUTOUT
(140°)
USER INTERFACE
EARTH
EARTH
EARTH
NEUTRAL (PEAK)
LIVE (PEAK)
LIVE (OFF-PEAK)
NEUTRAL (OFF-PEAK)
FAN
PCB
LIMIT STAT
(125° BLACK)
CORE THERMISTER
MOUNTED TO INNER SIDE
(o/w PLASTIC HOUSING)
STORAGE ELEMENTS
34

Related product manuals