EasyManua.ls Logo

Crestron PSPHD - Internal Block Diagram; Operations Guide - Doc. 6837 B

Crestron PSPHD
74 pages
Print Icon
To Next Page IconTo Next Page
To Next Page IconTo Next Page
To Previous Page IconTo Previous Page
To Previous Page IconTo Previous Page
Loading...
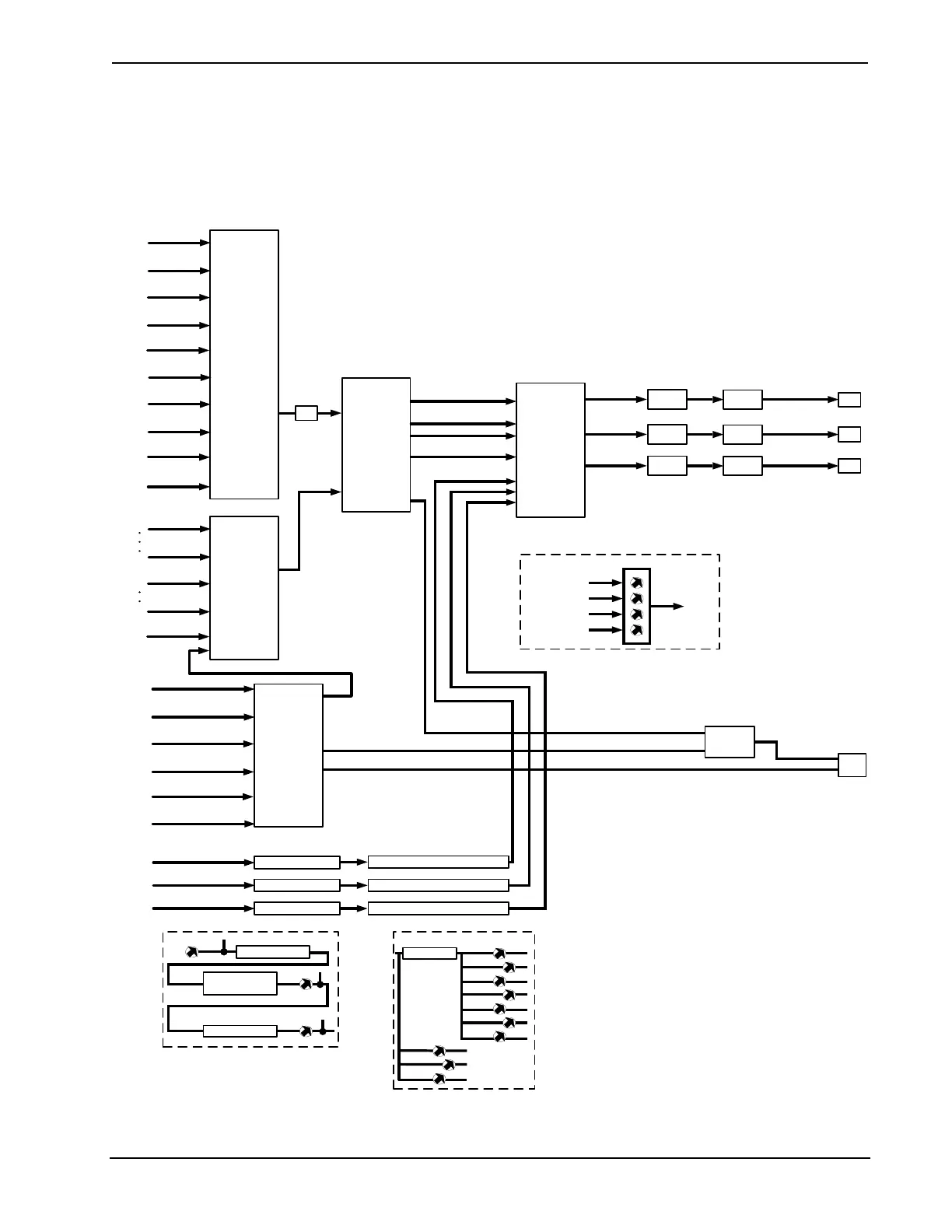
Crestron PSPHD PROCISE™ Surround Sound Processor
Internal Block Diagram
The following diagram represents the abilities of the PSPHD.
Internal Block Diagram of the PSPHD
10 x 1
Analog
Audio
Switch
Stereo Audio
1
2
3
4
5
Stereo Audio
Stereo Audio
Stereo Audio
Stereo Audio
6
7
8
9
Stereo Audio
Stereo Audio
Stereo Audio
Balanced
Multi-Channel
Analog
10
12 x 1
Digital
Audio
Switch
Digital Coax
1
6
1
4
1
Digital Coax
Digital TosLink
Digital TosLink
AES/EBU
6 x 1
HDMI
Switch
HDMI
1
2
3
4
5
HDMI
HDMI
HDMI
HDMI
6
HDMI
DIGITAL AUDIO
Signal
Decoding and
Processing
MIX 1
BALANCED MONO
MIX 3
BALANCED MONO
MIX 2
BALANCED MONO
7.3 Program Audio
Input Processing
Input Processing
Input Processing
1:10 Split with CB (Channel Balance)
1:10 Split with CB (Channel Balance)
1:10 Split with CB (Channel Balance)
Output
Mixing
Stage
7.3 Mixed
Downmix Mixed
Mono Mixed
Downmix L
Downmix R
Mono
Tone
Control
Tone
Control
Tone
Control
Volume
Control
Volume
Control
Volume
Control
Main Out 7.3
Stereo
Mono
2 Notch
L
C
R
SR
SL
SBR
SBL
L
C
R
1:10 Split with CB (Channel Balance)
Gate
2 Shelving &
2 Peaking
Compressor
VU
VU
VU
Input Processing
A/D
D/A
D/A
D/A
Output Mixing Stage
(Mixers for 7.3, Downmix & Mono)
MIX 1
MIX 2
MIX 3
Program Audio
Faders
Mixed
Output
HDMI
DIGITAL AUDIO
DIGITAL VIDEO
HDMI Audio
Multiplexer
DOWNMIX AUDIO
Operations Guide – DOC. 6837B PROCISE™ Surround Sound Processor: PSPHD 11

Related product manuals