EasyManua.ls Logo

Crown PSA-2 - Page 92

Crown PSA-2
114 pages
Print Icon
To Next Page IconTo Next Page
To Next Page IconTo Next Page
To Previous Page IconTo Previous Page
To Previous Page IconTo Previous Page
Loading...
©
Z
7aNNVHO
OL
Avidsia
ONOW
J
+
<
>
yoveaaas
syowury>
yiog
01
YoUWOD
,
aaads
Nv
In
LJaNNVHO
andino
(2%
ay
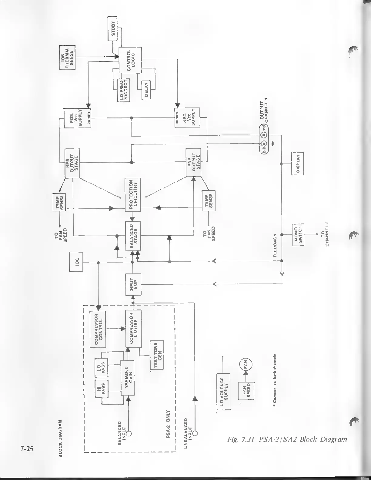
Fig.
7.31
PSA-2/SA2
Block
Diagram
Aradns
3OVLIOA
O1
Vv
asNas
ansdé
Y
dW3L
OL
<4
O
ANNI
G39ONVIVENN
Sse
ne
----------------,
<==
ANNO
@vSd
|
y
"N35
|
3NOL
1831
|
|
I
|
|
91907
AYLINOUIO
a9vis
aw
yaIWn
|
041NOO
+
+
NOILO3L0ud
aaONvive
AndNi
wossaudWoo
Nive
Lo310ud
naviuva
Tani
|
‘034d
O1
|
a3oNnviva
|
is
!
L:
i
[
ssva
||
ssva
!
JOULNOD
|
80"
AN
|
wossa¥dWoo
TmWOs
Aidan
ee
EE
Gi
aa
har
ae
+,
el
229A
a95VLs
ele]
)
aSNaS
"SOd
inaino
|
WWH3HL
NAN
aS
eal
|
rented
3SNaS
va
awal|
>
ton
wvuovia
19078
7-25

Other manuals for Crown PSA-2

Related product manuals