EasyManua.ls Logo

Cub Cadet 3000 Series - Page 129

Cub Cadet 3000 Series
144 pages
Print Icon
To Next Page IconTo Next Page
To Next Page IconTo Next Page
To Previous Page IconTo Previous Page
To Previous Page IconTo Previous Page
Loading...
17 - 39
Electrical
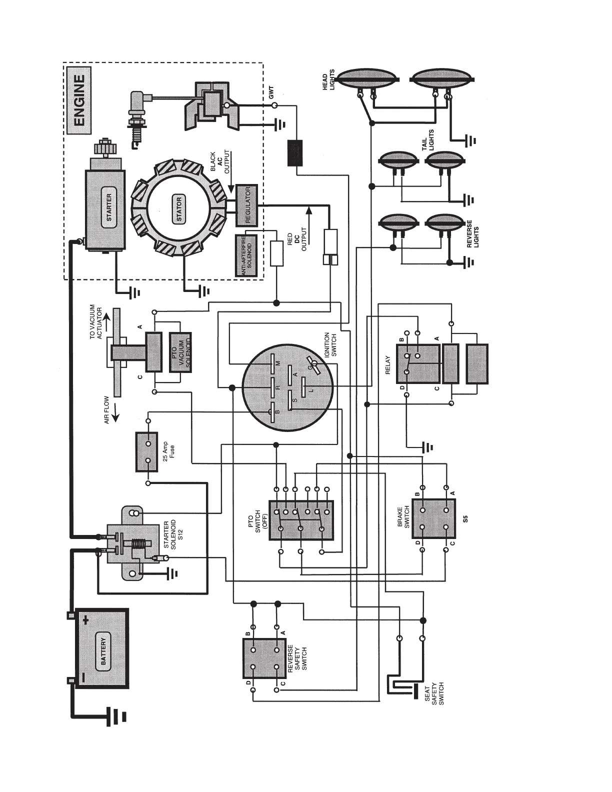
629-3057 Wiring Harness 3000 Series — B&S Engine
www.mymowerparts.com
K&T Saw Shop 606-678-9623 or 606-561-4983

Table of Contents

Related product manuals