EasyManua.ls Logo

Cub Cadet Challenger 700

Cub Cadet Challenger 700
244 pages
To Next Page IconTo Next Page
To Next Page IconTo Next Page
To Previous Page IconTo Previous Page
To Previous Page IconTo Previous Page
Loading...
Engine
439
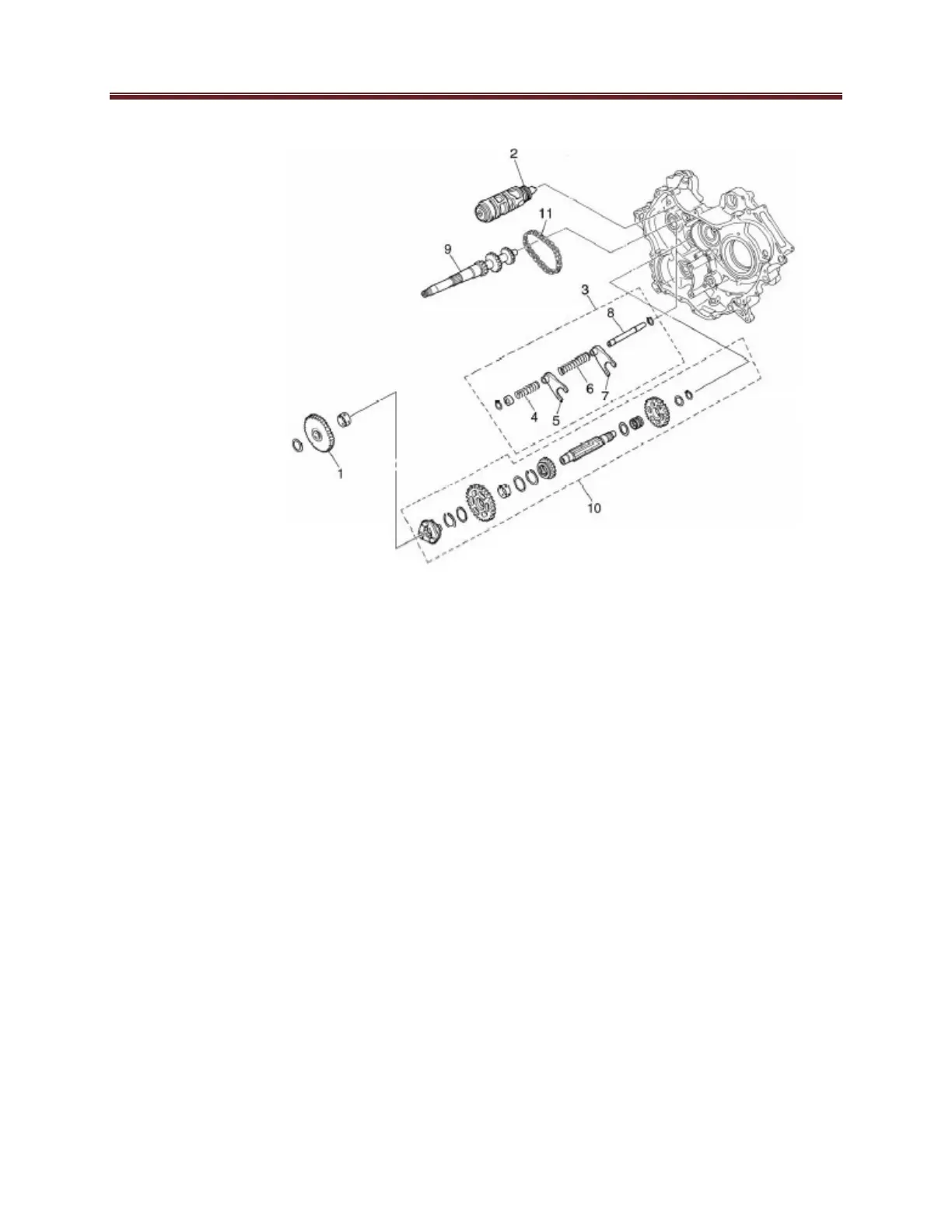
Transmission
No.
Part Name
Removing the Transmission
Qty Remarks
Remove the parts in the order listed
Crankcase separation
Middle driven gear
1
Low wheel gear
2
Shift drum
3
Shift fork assembly
4
Short spring
5
Shift fork 1
6
Long spring
7
Shift fork 2
8
Guide bar
9
Secondary shaft
10
Drive axle assembly
11
Chain
1
1
1
1
1
1
1
1
1
1
1
For installation, reverse the order listed

Other manuals for Cub Cadet Challenger 700

Related product manuals