EasyManua.ls Logo

Cub Cadet Challenger 700

Cub Cadet Challenger 700
244 pages
To Next Page IconTo Next Page
To Next Page IconTo Next Page
To Previous Page IconTo Previous Page
To Previous Page IconTo Previous Page
Loading...
Engine
443
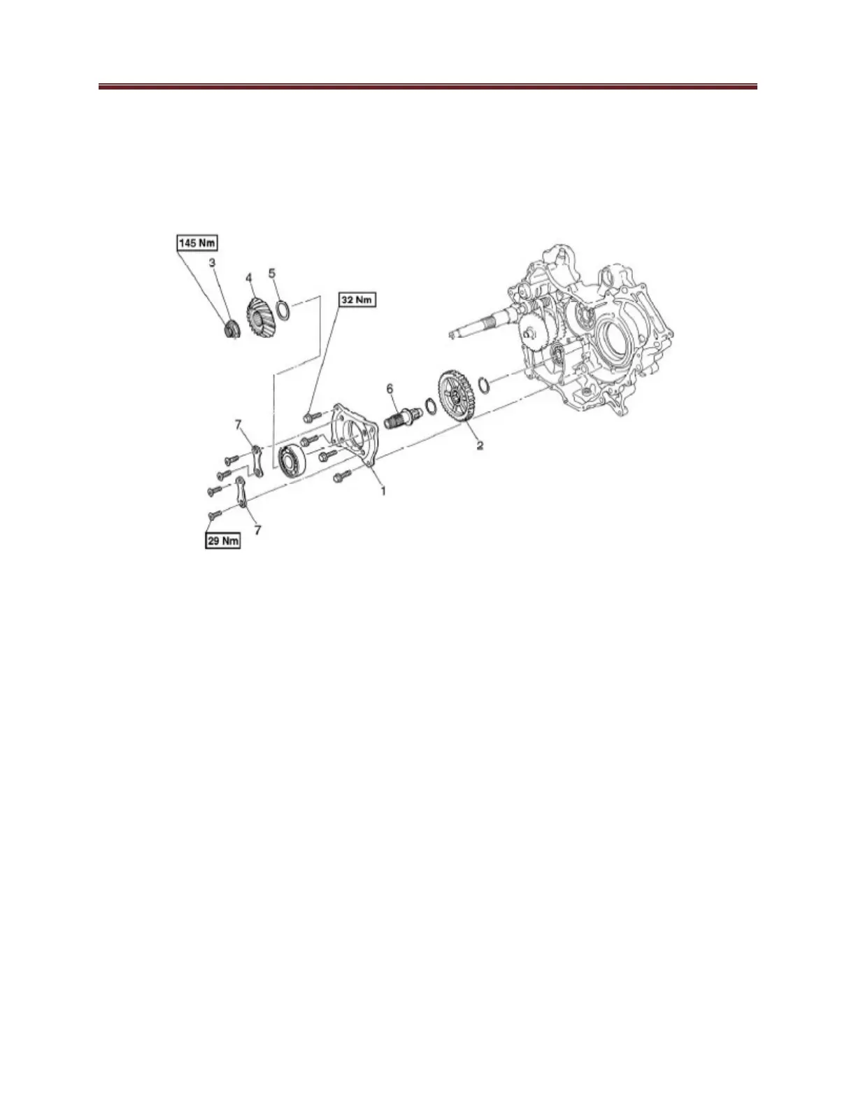
Middle Gear
Middle drive shaft
No. Part Name Qty Remarks
Removing the Middle Drive
Shaft
Crankcase separation
1
Bearing housing
2
Middle drive gear
3
Nut
4
Middle drive pinion gear
5
Shim
6
Middle drive shaft
7
Bearing retainer
Remove the parts in the order listed
1
1
1
1
1
1
For installation, reverse the order
2
listed

Other manuals for Cub Cadet Challenger 700

Related product manuals