EasyManua.ls Logo

Cub Cadet Challenger 700 - Page 156

Cub Cadet Challenger 700
244 pages
Print Icon
To Next Page IconTo Next Page
To Next Page IconTo Next Page
To Previous Page IconTo Previous Page
To Previous Page IconTo Previous Page
Loading...
Chassis
521
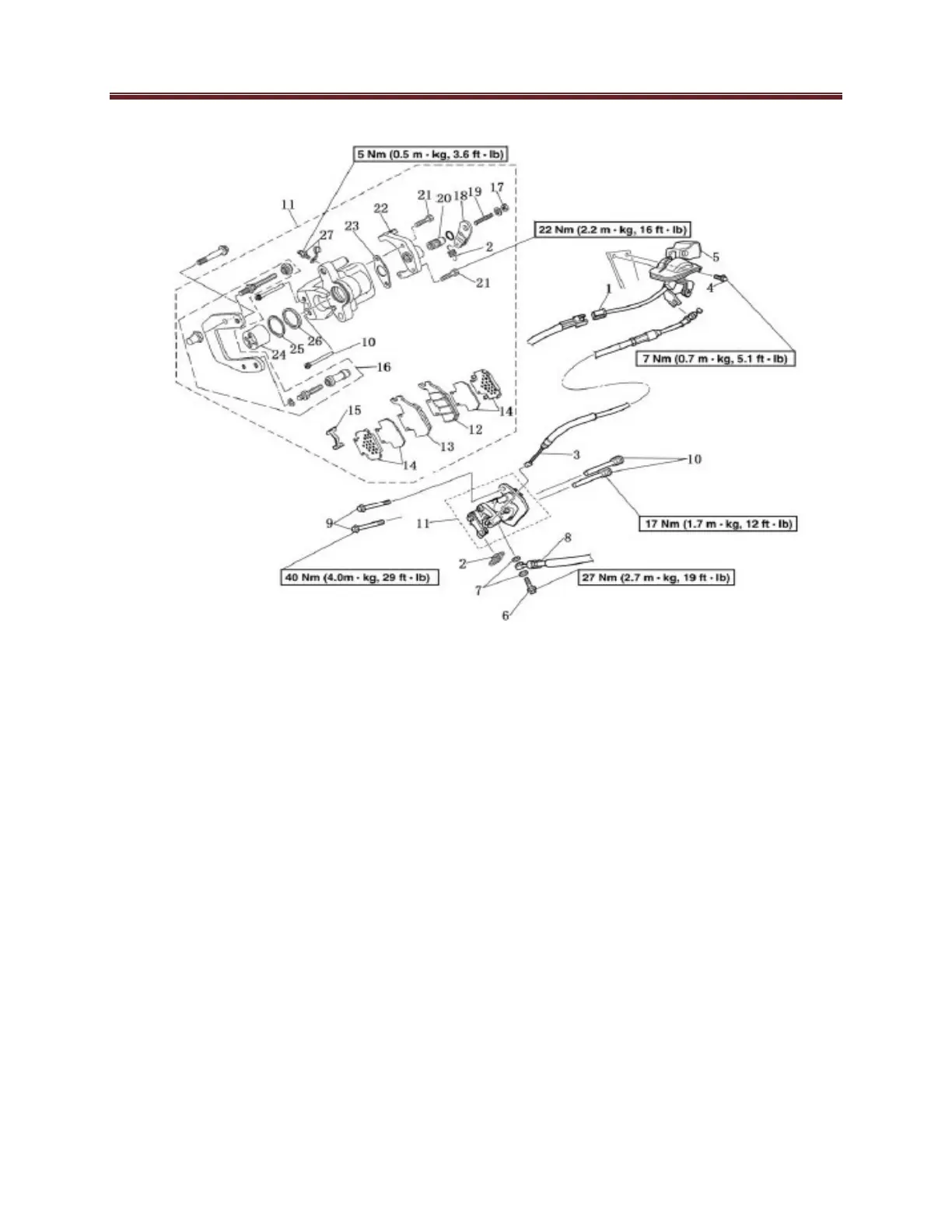
Rear Brake Caliper and Brake Pads
No.
1
2
3
4
5
6
7
8
9
10
11
12
13
14
15
Part Name
Removing the Rear Brake Caliper
and
Brake Pads
Rear skid plate
Brake fluid
Parking Brake switch coupler
Spring
Parking brake cable
Parking brake lever assembly mounting bolt
Parking brake lever assembly
Union bolt
Copper washer
Brake hose
Brake caliper mounting bolt
Brake caliper mounting bolt
Brake caliper assembly
Brake pad (piston side)
Brake pad
Insulator pad shim
Pad spring
Qty
1
1
1
1
1
1
2
1
2
2
1
1
1
2 / 2
1

Other manuals for Cub Cadet Challenger 700

Related product manuals