EasyManua.ls Logo

Cub Cadet Challenger 700

Cub Cadet Challenger 700
244 pages
To Next Page IconTo Next Page
To Next Page IconTo Next Page
To Previous Page IconTo Previous Page
To Previous Page IconTo Previous Page
Loading...
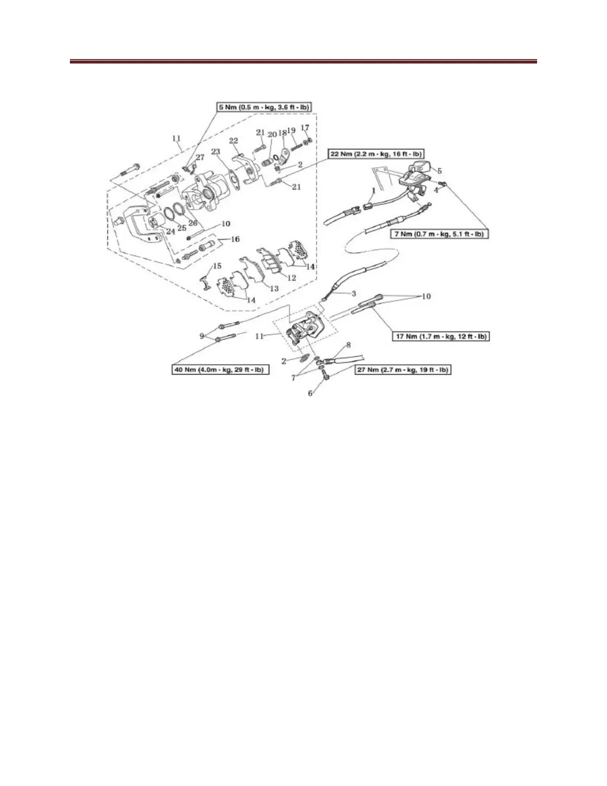
Chassis
522
Rear Brake Caliper and Brake Pads
No. Part Name Qty
16 Brake caliper bracket 1
17 Parking brake arm nut 1
18 Parking brake arm 1
19 Set bolt 1
20 Parking brake arm shaft 1
21 Parking brake case bolt 2
22 Parking brake case 1
23 Gasket 1
24 Brake caliper piston 1
25 Dust seal 1
26 Caliper piston seal 1
27 Bleed screw 1

Other manuals for Cub Cadet Challenger 700

Related product manuals