EasyManua.ls Logo

Cub Cadet Challenger 700 - Page 169

Cub Cadet Challenger 700
244 pages
To Next Page IconTo Next Page
To Next Page IconTo Next Page
To Previous Page IconTo Previous Page
To Previous Page IconTo Previous Page
Loading...
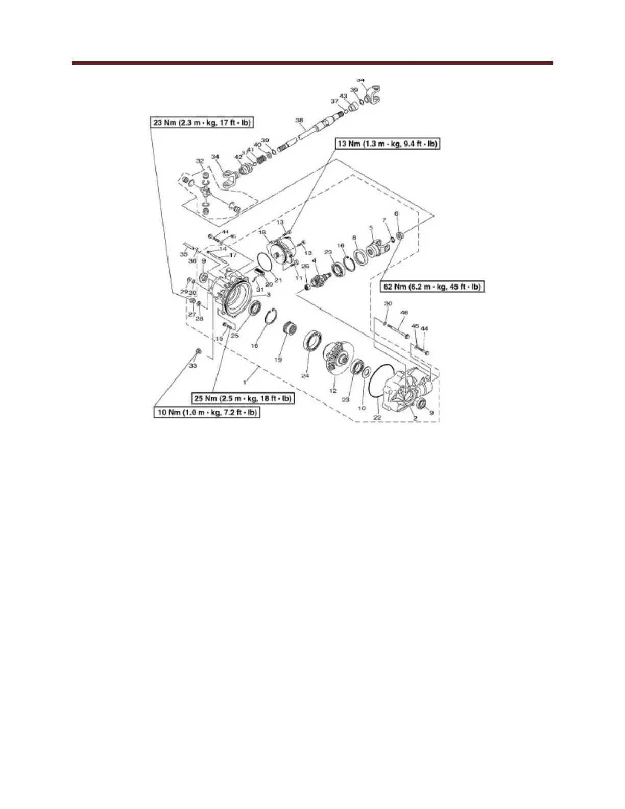
Chassis
534
No. Part Name Qty
Removing the front bridge
1
Front bridge assembly 1
2
Differential gear case 1
3
Differential gear case cover 1
4
Drive pinion gear 1
5
Universal joint yoke 1
6 Nut
14mm X 1.25 1
7
O-ring 1
8
Oil seal 1
9
Oil seal, front box input shaft 2
10
Shim
0.1T 1
Shim
0.2T 1
Shim
0.5T 1
11
Bolt 8mm X 25mm 1
12
Differential gear assembly 1
13
Bolt 8mm X 25mm 1
14
Bolt 8mm X 10mm 1
15
Drain bolt 10mm X 16mm 1
16
Circlip 1

Other manuals for Cub Cadet Challenger 700

Related product manuals