EasyManua.ls Logo

Cub Cadet Challenger 700 - Page 170

Cub Cadet Challenger 700
244 pages
To Next Page IconTo Next Page
To Next Page IconTo Next Page
To Previous Page IconTo Previous Page
To Previous Page IconTo Previous Page
Loading...
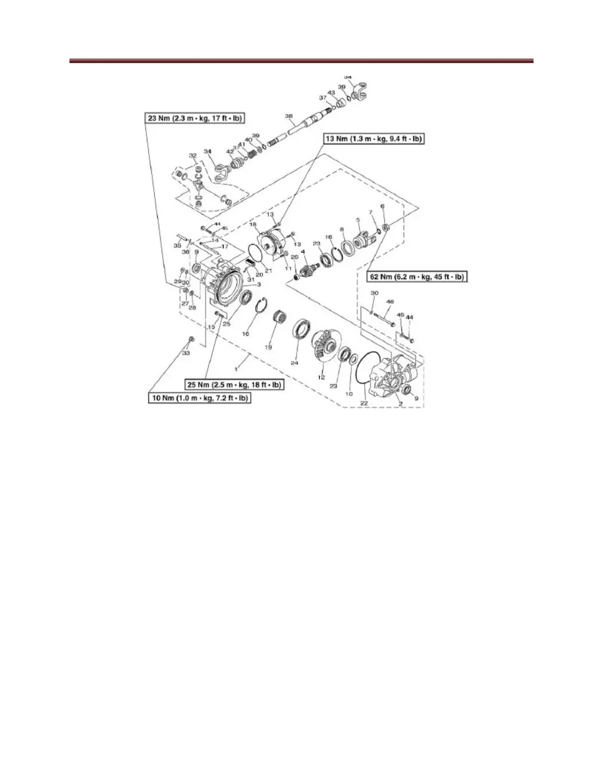
Chassis
535
No. Part Name Qty
17 Column pin 5 X 80
1
18 Gea
r
moto
r
1
19 Shaft coupling
1
20 Rack
1
21 O-ring 2 X 81
1
22 O-ring 2.4 X 140
4
23 Bearing 6007
1
24 Bearing 6912
1
25 Bearing 16007
1
26 Bearing 152112
1
27 Bolt M14X15X10
1
28
Washe
r
14 X 2
1
29
Nut
10mm
1
30 Washe
r
10
2
31 Shaft fork 4
6
32 Universal
j
oint
1
33 Bolt 14mm X 15mm
3
34 Block ring
2
35 Hose
1
36 Clip pipe 1
1

Other manuals for Cub Cadet Challenger 700

Related product manuals