EasyManua.ls Logo

Cub Cadet Challenger 700 - Page 171

Cub Cadet Challenger 700
244 pages
To Next Page IconTo Next Page
To Next Page IconTo Next Page
To Previous Page IconTo Previous Page
To Previous Page IconTo Previous Page
Loading...
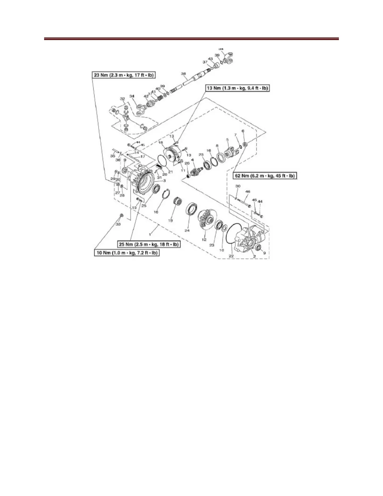
Chassis
536
No. Part Name Qty
37
Clamp 2
38
Intermediate shaft 2
39
Circlip 2
40
Cushion 1
41
Spring
25 X 2.3 X 28 1
42
Dust boot 1
43
Dust boot 1
44
Bolt 10mm X 25mm 1
45
Washer 2
46
Screw 2

Other manuals for Cub Cadet Challenger 700

Related product manuals