EasyManua.ls Logo

Cub Cadet Challenger 700

Cub Cadet Challenger 700
244 pages
To Next Page IconTo Next Page
To Next Page IconTo Next Page
To Previous Page IconTo Previous Page
To Previous Page IconTo Previous Page
Loading...
Chassis
549
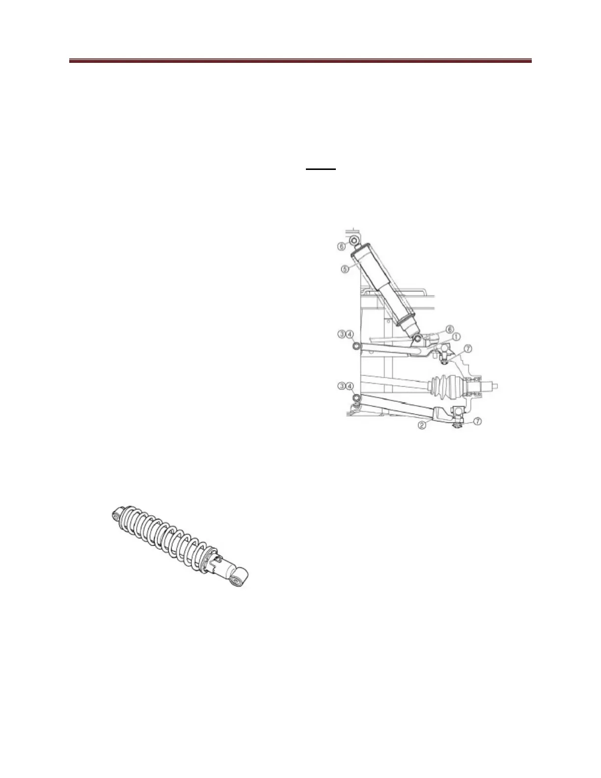
Front Suspension Components
1.
Inspect the front A-arms.
Look for bends or damage.
2.
Inspect the middle bushing.
Look for wear or damage.
3.
Inspect the upper ball joint.
Look for pitting or damage.
Inspect for free play and
smoothness of operation.
Front Shock Absorbers
1.
Inspect the shock absorber rod.
Look for bends, corrosion or
damage.
2.
Inspect the shock absorber body.
Look for oil leaks.
3.
Inspect the spring.
Look for fatigue.
Installing the front A-arms and shock
absorbers
1.
Install both the upper arm (1) and
the lower arm (2).
Note:
Lubricate the bolts (3) with lithium
grease, and position them with the bolt
heads facing outward. Temporarily
install bolt (4) loose.
2.
Install the front shock absorbers (5).
Nut (6)
45 Nm (4.5 m · kg, 32 ft · lb)
3.
Install the ball joints.
Nut (7)
30 Nm (3.0 m · kg, 22 ft · lb)
4.
Install new cotter pins, and tighten
the nuts (4).
Nut (4)
45 Nm (4.5 m · kg, 32 ft · lb)

Other manuals for Cub Cadet Challenger 700

Related product manuals