EasyManua.ls Logo

Cub Cadet Challenger 700

Cub Cadet Challenger 700
244 pages
To Next Page IconTo Next Page
To Next Page IconTo Next Page
To Previous Page IconTo Previous Page
To Previous Page IconTo Previous Page
Loading...
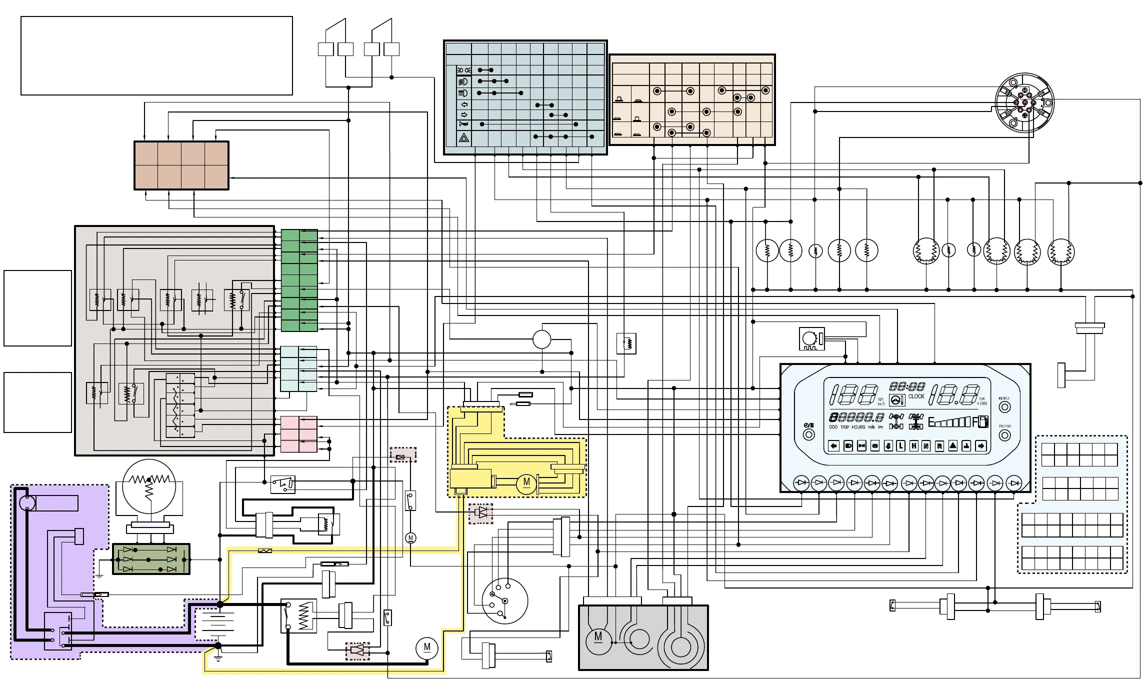
Alternator
Horn
Blue/
Green
Brown/
White
Blue/
Red
Brown/
Black
Brown/
Red
Black/
Yellow
Gray
Pink
Black
Black
Brown/
Red
Red/
Green
K1= 2/4 WD Relay
K2= Auxillary Start Relay
K3= Dierential Lock Relay
K4=
K5= Fuel Pump Relay
K6= Gear Start Relay
K7=
Purple
Red/
White
Black
White/
Blue
Green/
White
Red/
Brown
Brown/
Yellow
Gray
Rotational Speed Signal
Red/
Yellow
Blue Green Yellow
Dark
Brown
Gray
Dark
Green
Pink
Green/
Red
Blue/
Red
Blue/
Green
Light
Blue
Blue/
Black
Green/
Red
Gray
Blue/
Red
Black
Yellow Button
Red Button
Red Button
Red Button
Yellow Button
Yellow Button
No Press
Press
Press No Press
Press Press
4WD
2WD
4WD
4WD
4WD
Lock
Blue/ Green
Brown/
Red
Brown/
Black
Brown/
White
Pink
Pink
Pink
Pink
Blue/
Black
Black
Black
Black
Black
Black
Gray
Blue/ Red
Black/
Yellow
Blue/
Black
Purple
Blue/
White
Brown/
Red
Brown/
Red
Brown
Brown
Pink
Black
Red
Purple
Brown/
Blue
Brown
Brown/ Red
Brown/
Blue
Pink
Red/ Yellow
Red/ White
Blue/
White
Red/
Green
Red/
White
Red
Brown/
Blue
Red/
Yellow
Brown/
Blue
Brown/
Blue
Brown/ Blue
Red
Key Switch
Battery
Starter
Motor
Parking
Switch
Brake
Switch
Radiator Fan
Motor
Engine Inner
Gearshift Switch
EPS
Motor
EPS
Controller
Diode 10A
Fuel Pump
Module
Speed
Sensor
Right Rear
Turning
Light
Right Front
Turning
Light
License
light
Left Rear
Turning
Light
Left Front
Turning
Light
Head
Lights
Trailer Plug
Safety
Belt
Lock
Light Switch
K1 K2
K3
K4 K5
K6K7
Voltage Regulator
White White
White
Red
Black
Black
Red
30A
L
H
N
R
12V-30Ah
Gray
Brown
Red
Green/ Black
White
Brown/ Red
Red/
Black
Blue
Blue/ Red
Yellow
Blue/
White
Yellow/
Blue
Starter
Solenoid
Diodes
EPS Fault Signal
Green/ Black
Purple
Dark Brown
Speed Signal
White
Left Turn
Light
Right Turn
Light
Dark Green
Low Gear
Light
Hi Gear
Light
Neutral
Light
Reverse
Light
White/ Red
Blue/ White
Light Blue
Green/ White
Blue/ Red
Brake
Light
4WD
Lock
Emergency
Light
Position
Light
High Beam
Light
4WD
Light
Safety Belt
Light
Yellow
Blue
Green/ Red
White/ Black
Black/ Red
White/
Blue
Red/ Brown
Brown/ Yellow
Water Temperature Light (Alert)
YellowYellow
YellowYellow
Blue
Green
BlueBlueBlue
Green
Dark Green
Dark Brown
Blue
Yellow
Yellow
Yellow
Black/ Red
Blue/
Black
Light Blue
Green/ Red
White/ Black
Green/ White
White/ Red
Blue/ White
Black/
Yellow
Brown/
Black
Light
Blue
Black
Purple
Red/ White
Gray
White/ Blue
Green/ White
Red/ Brown
4WD / Dierential Switch
Pink
Brown/ Yellow
Blue/ Green
Brown/ Black
Blue/ Red
Black/ Yellow
Green/ White
White/ Blue
Brown/ Yellow
Red/ Brown
Purple
Brown
Red/ White
Purple
Pink
Yellow
Green/ White
White/ Blue
Brown/ Yellow
Red/ Brown
Yellow
GreenGreen
Dark Green
Blue
Dark Brown
Gray
Blue Blue Blue
Yellow
Blue
Dark Green
Brown/
Yellow
Red/
Brown
Brown/ White
Red
Dark Brown
Blue
Blue
Hi
Beams
Hi
Beams
Tail
Lights
Tail
Lights
Dash Screen
12V Outlet
Front
Dierential
Brown/
Red
Pink
Red
Brown/ Blue
Blue/ White
Pink
Black
Blue/ Black
Blue/ Black
Brown/ Red
Brown/ Red
Brown/ Black
ECU Plug
1 2 3 4
5 6 7 8
Flasher/
Alarm
Black
Black
Black
Green/ Yellow
Green/
Yellow
Black
Red/
White
Relay Key
Fuel Level Signal
Speed Signal
Water Temperature Light (Alert)
Rotational Speed Signal
Rotational Speed Signal
Fault Signal Fault Signal
Fault Signal
s
sss
s s
Gray
Water
Temp
Switch
Black
Wire Colors Listed In Black Font (#4 Regular) Above Wire Or To The Right Of Wire.
Wire Function Listed In Red Font (#5 Semi Bold) Above Wire.
(A) The EPS (Power Assist Steering) Is Optional On The CX500 & CX700.
(A) The Power Assist Steering Is Standard On The CX700 Crew.
(B) The ECU Plug Connects To The Main Harness Plug Of The EFI Harness.
(C) The Alternator Wire Lead Connects To The Main Wire Harness.
(D) The Color Of This Wire Could Either Be Red/ Blue or Red/ Green.
(E) The Fuel Pump Module Includes The Fuel Level Sensor.
NOTES:
Blue/ Red
White/ Blue
Water Temperature Light (Alert)
Pink
Black
Black
Blue
Black
Black
Black
Black
Starter
Relay
NOTE (A)
NOTE (B)
NOTE (C)
Main Harness
Altn. Harness
Open
Open
OpenOpen
Open
Open
White White White
White/
Black
Red/ Blue
Red/ Blue
Red/ Blue
Black
Black
Black
Orange/ Red
Orange/ Red
Blue
Safety
Belt
Lock
Blue
Blue
White
Blue/ Red
Pink
Light Blue/ Red
Green/ Black
Main Harness
Main Harness
Main Harness
Main Harness
F1= Meter/ECU Energize (5A)
F2= Brake Light / Turning Light (10A)
F3= EPS’s ECU (10A)
F4= Auxillary DC Jack 2/4WD (15A)
F5= Meter / ECU Switch (15A)
F6= Headlights (15A)
Fuse Key
F1
F2
F3
F4
F5
F6
Main Harness
Black
Gray
Main Harness
Green/ Red
Blue
Black
Main
Harness
Black
Black
Black
Black
Blue/ Red
Relay
Assembly / Fuse Box
Black
Black Black
Black
Red/ Green
Yellow/ Red
Black
Diodes
White/
Black
Dark
Green
Brown
Green/
Red
Blue Yellow
Red/
White
Purple
Blue/
Red
Orange/
Red
Green/
White
Light
Blue
Blue/
White
White/
Red
White
Brown
BlueYellowPurple
Blue/
Red
Light
Blue
Blue/
White
White/
Red
White
Main Harness 16 Pin Connector
1 2 3 4 5 6 7 8
910111213141516
Dash Harness 16 Pin Connector
1234
5
678
9 10 11 12 13 14 15 16
Red Orange
Green Blue/
Yellow
Yellow/
Red
Blue/
Green
Black
Yellow
1
2
3 4 5 6
3456
2 1
789101112
7 8 9 10 11 12
Black/
Red
Pink
White/
Black
Red/
Brown
Yellow/
Black
Brown/
White
Yellow/
Green
Yellow/
White
Green/
Red
Black Open Open
Dash Harness 12 Pin Connector
Main Harness 12 Pin Connector
Black/
Red
Open
White/
Black
Red/
Brown
Brown/
Yellow
Green/
Black
Green/
Yellow
White/
Blue
BlackOpen Open Open
Dash Screen Connectors
Black
Everything Within The
Yellow Background Is
Part Of The EPS
Brown/ Blue
Brown/ Blue
Brown/ Blue
Light Blue
Black
Black
Blue/ Black
Located Inside
Main Harness
Brown
Function
Main Harness
Switch Harness
Light
Blue
Blue/
Green
Blue/
Black
Black
Open
Blue/
Red
Gray
Main Harness
Pink Black
Black
Red
Main
Harness
Switch
Harness
Red/
Yellow
Blue Green Yellow
Dark
Brown
Gray
Dark
Green
Pink
Green/
Red
Function
Main Harness
Blue/ Black
Black
Main
Harness
Blue/ White
Blue/ Black
Red
Black
Black
Brown/ Blue
Brown/ Blue
Brown/ Blue
Main Harness
Black
Black
NOTE (D)
Located Inside
Main Harness
Located Inside
Main Harness
Engine Inner
Gearshift Switch
Parking Switch
Starter Solenoid
Negative / Ground
Safety Belt
Safety Belt
12V Outlet
Main
Harness
Horn
Main
Harness
Main
Harness
Starter Relay
Red/ White
Brown/ Blue
Winch
Winch
Controller
Plug
Red
Blue
Black
Green
Black
Red
Green
Black
Black
Red
Red
Winch Solenoid
NOTE (E)
MAIN HARNESS PART NUMBER
34100-115N-0100
Black
Black
Black
Red
White
Red
Green
PinkPinkPink
Red/ Yellow
Main Harness
EPS Controller Harness
Brown
Black
Black
Motor Harness
Controller Harness
Green
White
Black
Red
Light Blue
Blue/ Red
(D)
White
Green/ Black
Everything Within The
Purple Background Is
Part Of The Winch

Other manuals for Cub Cadet Challenger 700

Related product manuals