EasyManua.ls Logo

Cub Cadet Challenger 700

Cub Cadet Challenger 700
244 pages
To Next Page IconTo Next Page
To Next Page IconTo Next Page
To Previous Page IconTo Previous Page
To Previous Page IconTo Previous Page
Loading...
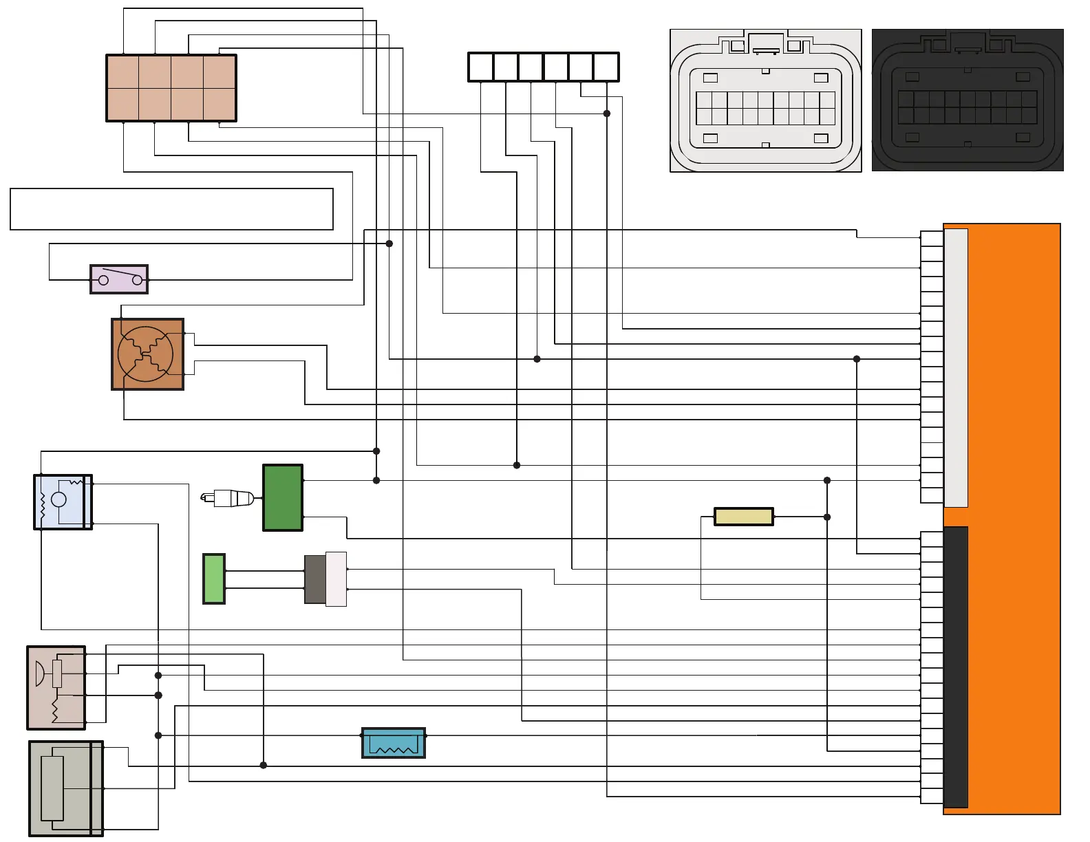
ECU
1181
18
Water Temperature
Light (Alert)
Idle Speed Motor
Cylinder Sensor
Ignition Coil
Inlet Air Temp SensorValve Position Sensor
Coolant Temp Sensor
Black
Light
Blue
White
Brown/
Yellow
Red/
Brown
Brown
White/
Black
Green/
Blue
Blue/
Yellow
Blue
Brown/
White
Black/
Red
Brown/
Black
Light/
Green
Red/
White
Red Purple Green
Black/
Blue
Red
Gray
Blue/
Red
White/
Black
Orange/
Black
Blue
Yellow/
Black
Red/
Black
Green/
Black
Spark
Plug
9
1
18
10
10
18
9 1
Brown
Red/ Brown
Brown/ Yellow
White
Light Blue
Black
Brown/ White
Blue
Blue/ Yellow
Green/ Blue
White/ Black
Black/ Blue
Black
Purple/ Red
White
Red/ White
Light Green
Brown/ Black
Gray
Green/ Black
Red/ Black
Yellow/ Black
White/ Black
Orange/ Black
White/ Black
Red/ Blue
Gray
Purple
Purple
Brown
Red/ Brown
Brown
White/ Blue
Brown/ Yellow
Black
Brown/ White
Blue
Blue/ Yellow
Green/ Blue
Brown/ White
Blue
Blue/ Yellow
White/ Black
White/ Black
Black/ Blue
White
Gray
Green/ Black
Gray
Brown/ Black
Light Green
Red/ Black
Yellow/ Black
White/ Black
Orange/ Black
Red/ Blue
Gray
Green/ Black
Red/ Blue
Yellow/ Black
Green/ Black
Red/ Black
Red/ Blue
Brown/ Black
Light Green
Green/ Black
Green/ Black
Purple
White/
Black
Black
White/
Blue
Green/
Blue
Red/
Brown
Brown/
Yellow
Gray
Main Harness
Plug
1 2 3 4
5 6 7 8
Purple
1 2 3 4 5 6
Diagnostic Plug
White
Light
Blue
Black
Green/
Blue
Purple/
Red
(White Plug With Sealing Cap)
99
Black
Brown/ White
Blue/ Yellow
Blue
Black
Red/ Brown
Brown/ Yellow
Green/ Blue
Green/ Blue
White/ Black
Black/ Blue
Purple/ Red
White
Light Green
Brown/ Black
Gray
Green/ Black
Red/ Black
Yellow/ Black
White/ Black
Orange/ Black
Red/ Blue
Gray
Purple
Fuel Injector
Gray PlugBlack Plug
ECU Gray Plug ECU Black Plug
Pickup Sensor
White
White/ Black
Blue
Black
NOTE (A)
Purple
White/ Black
Black
Gray
NOTES:
Wire Colors Listed In Black Font (#4 Regular) Above Wire OrTo The Right Of Wire.
(A) The Main Harness Plug Connects To The ECU Plug Of The main Harness.
(B) The Pick Up Sensor Wire Lead Connects To The EFI Harness.
NOTE (B)
EFI Harness
Pickup Sensor
Harness
White/ Blue
Open Open Open
OpenOpenOpenOpen
Open
Open
Open
Open
Open
Open
Open
Open
Open
EFI HARNESS PART NUMBER
34200-115N-0000

Other manuals for Cub Cadet Challenger 700

Related product manuals