EasyManua.ls Logo

Cub Cadet Yanmar Lx490 - Page 140

Cub Cadet Yanmar Lx490
230 pages
To Next Page IconTo Next Page
To Next Page IconTo Next Page
To Previous Page IconTo Previous Page
To Previous Page IconTo Previous Page
Loading...
Lx490Lx Series
140
Copyright 2011 Cub Cadet Yanmar LLC
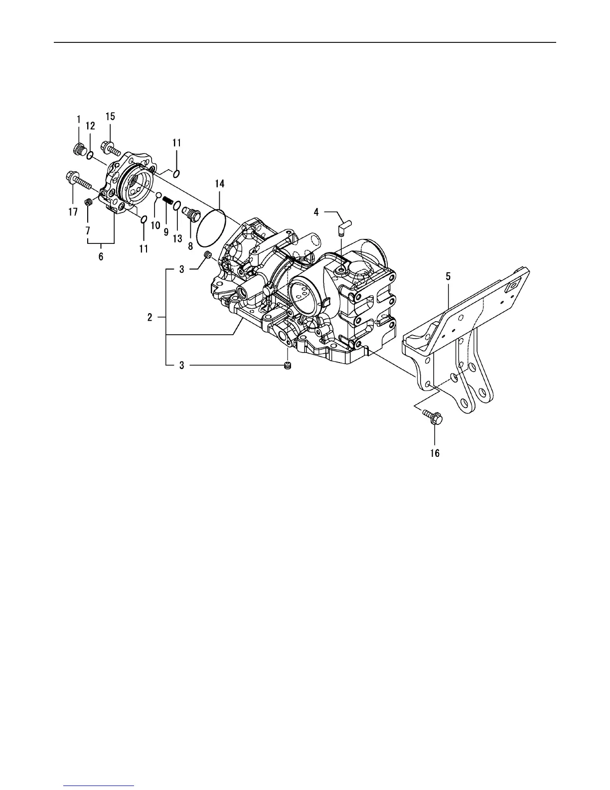
Fig 75. Hyd. Cylinder Housing
Fig.75. HYD.CYLINDER HOUSING
0CNP5-G37900
0CNP5-G37900
75. HYD.CYLINDER HOUSING
(F)=
(E)=
(D)=
(C)=LX490
(B)=LX450
(A)=LX410
LEV.REF. PARTS NO. DESCRIPTION
RI
Q'TY
(F)(D)(C)(B)(A) (E)
PLUG192167-2460011 111
HOUSING ASSY,1A8275-4210012 111
PLUG PT1/8,SCREW23871-01000023 222
PIPE, BREATHER1A7180-4228114 111
HINGE, P TOP LINK1A8275-4281015 111
HEAD ASSY,CYLINDER1A8275-4310016 111
PLUG PT1/8,SCREW23871-01000027 444
PLUG, CHECK VALVE1A7640-4345018 111
SPRING194555-4638019 111
STEEL BALL24190-130003110 111
O-RING 1B P-14.024315-000140111 333
O-RING 1B P-14.024315-000140112 111
O-RING 1B P-18.024315-000180113 111
O-RING, 1B G 80.024325-000800114 111
BOLT M12X 30 PLATED26106-120302115 555
BOLT M12X 30 PLATED26106-120302116 666
BOLT M12X5026106-120502117 111
(C)Copy Rights YANMAR CO.,LTD.

Related product manuals