EasyManua.ls Logo

Cub Cadet Yanmar Lx490

Cub Cadet Yanmar Lx490
230 pages
To Next Page IconTo Next Page
To Next Page IconTo Next Page
To Previous Page IconTo Previous Page
To Previous Page IconTo Previous Page
Loading...
Lx490Lx Series
146
Copyright 2011 Cub Cadet Yanmar LLC
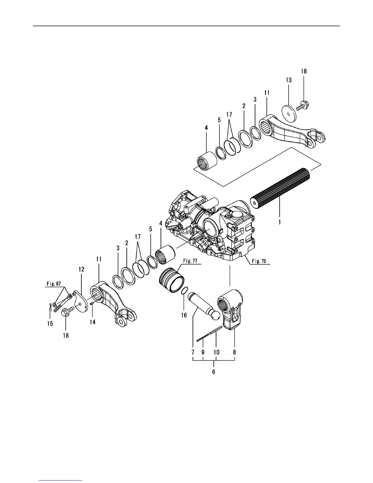
Fig 78. Lift Crank
Fig.78. LIFT CRANK
0CNP5-G37900
0CNP5-G37900
78. LIFT CRANK
(F)=
(E)=
(D)=
(C)=LX490
(B)=LX450
(A)=LX410
LEV.REF. PARTS NO. DESCRIPTION
RI
Q'TY
(F)(D)(C)(B)(A) (E)
SHAFT,LIFT1A7180-4421011 111
WASHER, 65X82X21A7640-4423012 222
SEAL PLATE1A7640-4424013 222
SLEEVE, LIFT SHAFT194640-4425014 222
SEAL, SPLINE SHAFT194640-4426115 222
CRANK CMP,LIFT1A7180-4431116 111
ROD,PISTON1A7180-4341027 111
CRANK,LIFT1A7180-4411028 111
SPRING PIN 5X7022351-05007029 111
SPRING PIN 8X7022351-080070210 111
A
RM,LIFT1A7180-44410-1111 222
PLATE, P FEEDBACK1A8275-44510112 111
RETAINER194640-44540113 111
SPRING PIN 6X1622351-060016114 111
COTTER PIN 2.0X2022417-200200115 111
O-RING 1A P-36.024311-000360116 111
O-RING 1A G-65.024321-000650117 444
BOLT M12X 30 PLATED26106-120302118 222
(C)Copy Rights YANMAR CO.,LTD.

Related product manuals