EasyManua.ls Logo

Cub Cadet Yanmar Lx490

Cub Cadet Yanmar Lx490
230 pages
To Next Page IconTo Next Page
To Next Page IconTo Next Page
To Previous Page IconTo Previous Page
To Previous Page IconTo Previous Page
Loading...
Lx490Lx Series
148
Copyright 2011 Cub Cadet Yanmar LLC
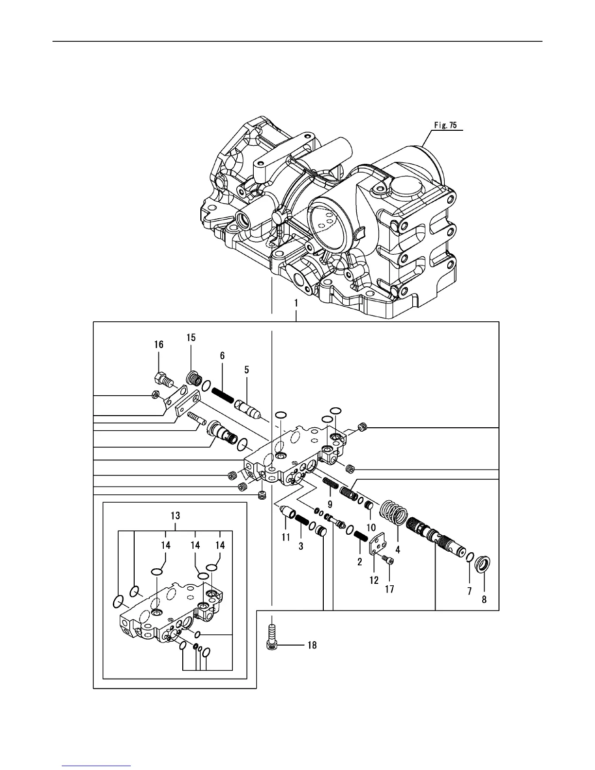
Fig 79. Control Valve
Fig.79. CONTROL VALVE
0CNP5-G37900
0CNP5-G37900
79. CONTROL VALVE
(F)=
(E)=
(D)=
(C)=LX490
(B)=LX450
(A)=LX410
LEV.REF. PARTS NO. DESCRIPTION
RI
Q'TY
(F)(D)(C)(B)(A) (E)
VALVE ASS
Y
, CONTROL1A8275-4520011 111
SPRING1A8275-4523022 111
SPRING1A8275-4524023 111
SPRING1A8275-4528024 111
POPPET, UNLOAD1A8275-4531025 111
SPRING1A8275-4532026 111
RING, WIRY SNAP1A8275-4533027 111
SEAT, SPRING1A8275-4534028 111
SPRING1A8275-4536029 111
PLUG1A8275-45370210 111
POPPET, CHECK1A8275-45420211 111
PLATE1A8275-45440212 111
SEAL KIT, VALVE1A8275-45500213 111
PACKING, 11.041851-000110314 333
PLUG,LIFT VALVE1A7880-45640215 111
BOLT M10X 16 PLATED26116-100162216 111
BOLT, M5X1026450-050102217 333
BOLT M 8X 2526450-080252118 333
(C)Copy Rights YANMAR CO.,LTD.

Related product manuals