EasyManua.ls Logo

Cub Cadet Yanmar Lx490

Cub Cadet Yanmar Lx490
230 pages
To Next Page IconTo Next Page
To Next Page IconTo Next Page
To Previous Page IconTo Previous Page
To Previous Page IconTo Previous Page
Loading...
Lx490Lx Series
160
Copyright 2011 Cub Cadet Yanmar LLC
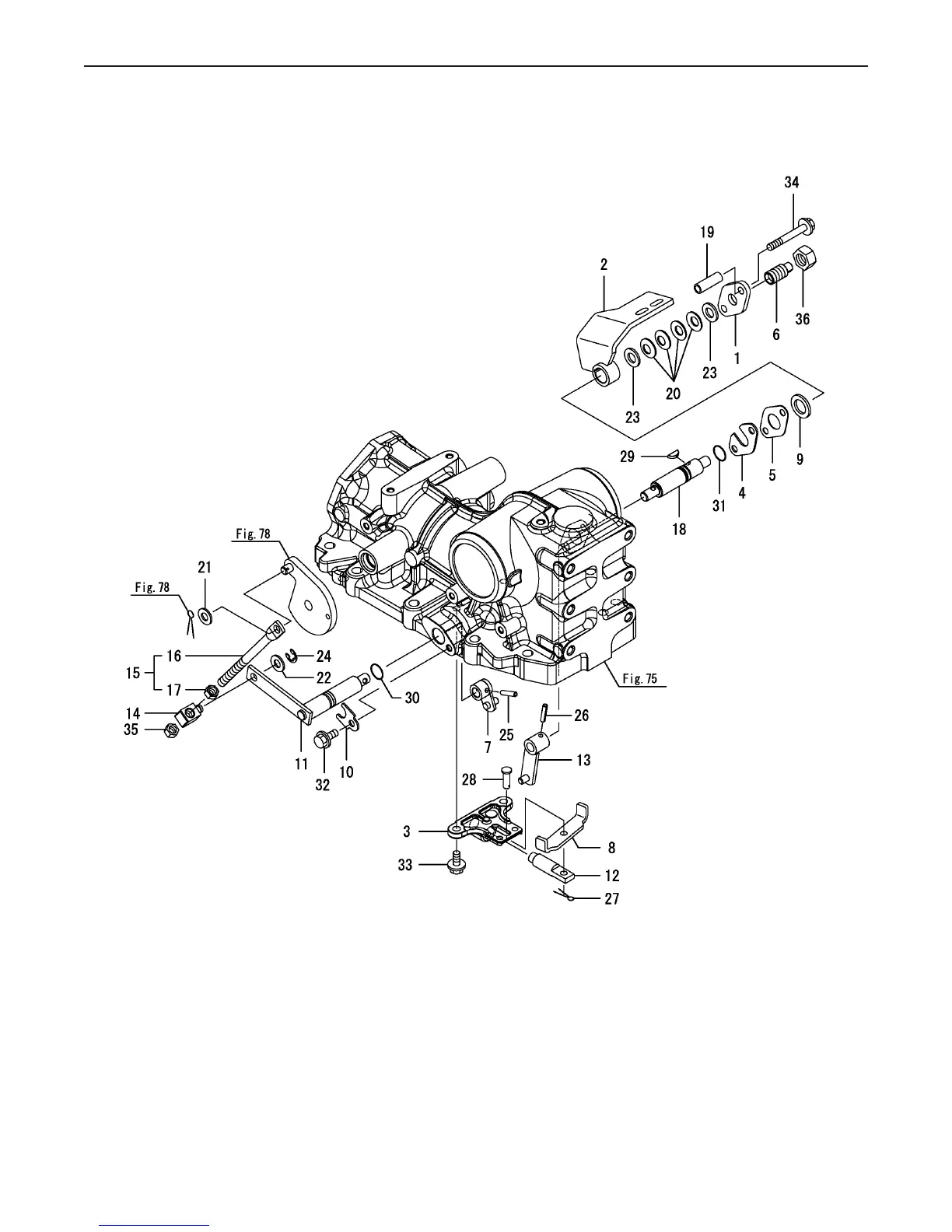
Fig 87. Hydraulic Control
Fig.87. HYDRAULIC CONTROL
0CNP5-G37900
0CNP5-G37900
87. HYDRAULIC CONTROL
(F)=
(E)=
(D)=
(C)=LX490
(B)=LX450
(A)=LX410
LEV.REF. PARTS NO. DESCRIPTION
RI
Q'TY
(F)(D)(C)(B)(A) (E)
PLATE1A8275-4716011 111
A
RM, LEVER P1A8275-4725012 111
CONTROL PLATE1A8275-4733013 111
PLATE (A)194555-4734014 111
PLATE194555-4735015 111
BOLT, FRICTION1A8275-4735016 111
A
RM,P CONTROL F.BACK1A8275-4737017 111
BAR, P CONTROL1A8275-4742018 111
PLATE, FRICTION194170-4744019 111
PLATE1A8275-47440110 111
A
RM,1A8275-47450111 111
ROD, CONTROL198200-47460112 111
A
RM,P CONTROL1A8275-47500113 111
A
DJUSTER194550-47530114 111
ROD, ASSY, P194640-47550115 111
ROD, FEED BACK194640-47560216 111
NUT 1026716-100002217 111
SHAFT, P LEVER1A8275-47550118 111
COLLAR, P LEVER1A8275-47630119 222
WASHER 12194151-47760120 444
WASHER 10,POLISHED22137-100000121 111
WASHER 10,POLISHED22137-100000122 111
WASHER 12,POLISHED22137-120000123 222
CIRCLIP E- 722272-000070124 111
SPRING PIN 5X2522351-050025125 111
SPRING PIN 5X2522351-050025126 111
COTTER PIN 2.0X2022417-200200127 111
PIN, H8X2022487-080200128 111
KEY, WOODRUFF 3X1322522-030130129 111
O-RING 1A P-15.024311-000150130 111
O-RING 1A P-15.024311-000150131 111
BOLT M 8X 16 PLATED26106-080162132 111
BOLT M 8X 16 PLATED26106-080162133 222
BOLT M 8X 60 PLATED26106-080602134 222
NUT 1026716-100002135 111
NUT M1626736-160002136 111
(C)Copy Rights YANMAR CO.,LTD.

Related product manuals