EasyManua.ls Logo

Cub Cadet Yanmar Lx490

Cub Cadet Yanmar Lx490
230 pages
To Next Page IconTo Next Page
To Next Page IconTo Next Page
To Previous Page IconTo Previous Page
To Previous Page IconTo Previous Page
Loading...
Lx490Lx Series
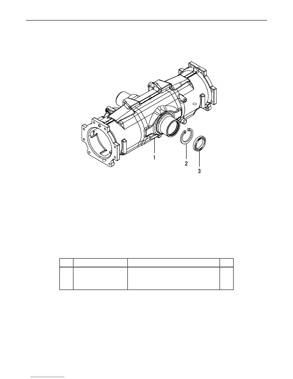
Ref.
Part Number Description Qty
1 CY-1A8275-13610 CASE , FRONT AXLE 1
2 CY-22252-000620 CIRCLIP 62(H) 1
3 CY-24421-456209 SEAL TC 456209, OIL 1
Copyright 2011 Cub Cadet Yanmar LLC
63
Fig 18. Front Axle Case
Fig.18. FRONT AXLE CASE
0CNP5-G37900
0CNP5-G37900
18. FRONT AXLE CASE
(F)=
(E)=
(D)=
(C)=LX490
(B)=LX450
(A)=LX410
LEV.REF. PARTS NO. DESCRIPTION
RI
Q'TY
(F)(D)(C)(B)(A) (E)
CASE , FRONT AXLE1A8275-1361011 111
CIRCLIP 62(H)22252-00062012 111
SEAL TC 456209, OIL24421-45620913 111
(C)Copy Rights YANMAR CO.,LTD.

Related product manuals