EasyManua.ls Logo

CUSHCRAFT 17b2 - Step-by-Step Assembly; Assemble Boom

CUSHCRAFT 17b2
9 pages
Print Icon
To Next Page IconTo Next Page
To Next Page IconTo Next Page
To Previous Page IconTo Previous Page
To Previous Page IconTo Previous Page
Loading...
17B.2
#1
I
ASSEMBLE
BOOM
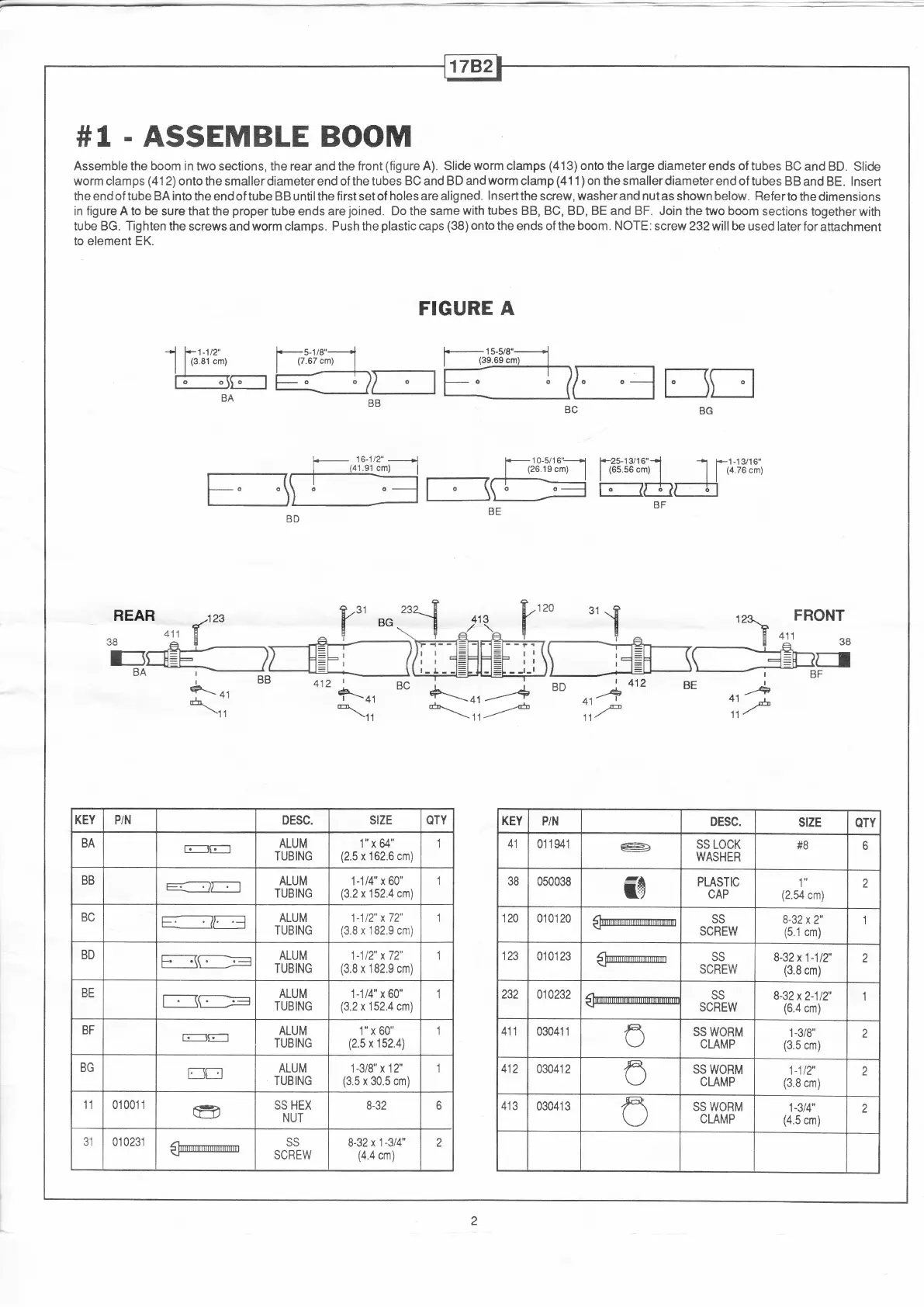
Asssmbleth€ boom in two s€clions, ths rear and ths tront
(figure
A). Slidewormclamps
(413)
onb the large diameter
ends of tubes BC and
BD. Slids
worm clamps
(412)onto
the smallerdiameterend ofthe tubes
BC
and
BD andworm clamp
(4'll
)
on lhs smallordiamsterendoftubes
BBand
BE. lnsen
the
end oftube BA inb he end oftube BB untilthe first set of
holes are aligned. lnsenthe screw, washerand nutaÊ sho{/n below.
Refsr to the dimensions
in figursA b be sure that
he
propertube
ends
are,oined. Do ths same with
tubes
BB, BC, BD, BE and BF. Join thslwo boom
sections togetherwith
tubs BG. Tighten Ùle
screws and worm clamps.
Push tls
plastic
caps
(38)
onlo
the onds ofthe boom. NOTE: screw 232 will be used
later for attachment
to element EK.
FIGURE A
6'L--+t
l+-25-13/16"-d
-rr
F-1-13i/16"
cm)
|
|
(6s.s6cm)
| | |
ra.zecml
'
t
.
?[Il--Tl
BF
REAR
38
rrt
Y
31
FRONT
412
|
ê-
|
-41
*\
\.1.1
1-1t2"
1 0-5/1
KEY P/N
DESC.
stzE
ATY
BA
r.-r(-l
ALUM
TUBING
'l
"x64'
(2.5
x
162.6 cm)
1
BB
L. . )t . I
r--------lL-------J
ALUM
TUBING
1-1/4" x 60"
(3.2
x 152.4
cm)
1
BC
tr;-=?F--
ALUM
TUBING
1-112" x72"
(3.8
x 182.9 cm)
1
BD
--
t--
.\\.
.---r
ALUM
TUBING
1-112"
x72"
(3.8
x 182.9 cm)
1
BE
--
lrtt..J
I
\l-.-
ALUM
TUBING
1-114" x 60"
(3.2
x 152.4 cm)
1
BF
r.--1(-l
ALUM
TUBING
1" x 60"
(2,5
x152.4)
1
BG
E]E
ALUM
TUBING
1-3/8" x 12"
(3.5
x 30.5 cm)
1
11 01
001 1
ffi
SS HEX
NUT
8-32 6
31
01 0231
€rnnînmTrrnnn
SS
SCREW
8-32 x
1-314"
(4.4
cm)
2
KEY
P/N
DESC.
slzE
QTY
41
01 1 941
@
SS
LOCK
WASHER
#8
6
38
050038
G
PLASTIC
CAP
1'
(2.54
cm)
2
120
01 01 20
€rr,mmm'mntmfllllÎlltmn
SS
SCREW
8-32x2"
(5.1
cm)
1
123
0't0123
û*-
SS
SCREW
8-32
x 1-112"
(3.8
cm)
2
232 01 0232
{mmmmmmmmrmmm
SS
SCREW
8-32x2-112"
(6.4
cm)
1
411
03041 1
ô
SS WORM
CLAMP
1
-3/8"
(3.5
cm)
2
412
03041
2
ô
SS
WORM
CLAMP
1-112
(3.8
cm)
2
413
03041
3
ô
SS
WORM
CLAMP
1-314"
(4.5
cm)
2

Related product manuals