EasyManua.ls Logo

Dacor DCM24S - Control Panel Circuit

Dacor DCM24S
43 pages
Print Icon
To Next Page IconTo Next Page
To Next Page IconTo Next Page
To Previous Page IconTo Previous Page
To Previous Page IconTo Previous Page
Loading...
39
DCM24B
DCM24R
DCM24S
6
45
1
2
3
6
45
1
2
3
A
B
C
D
E
F
G
H
A
B
C
D
E
F
G
H
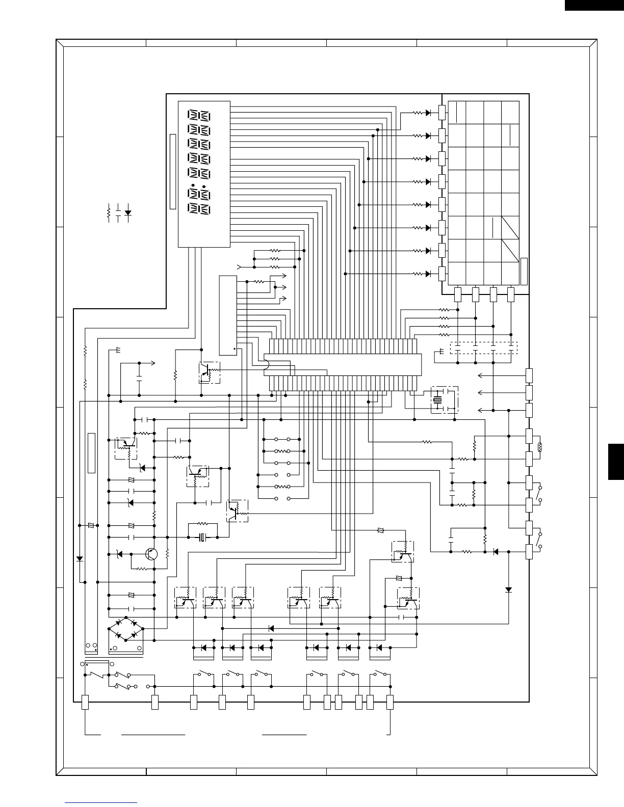
Figure S-2. Control Panel Circuit
+
+
+
+
+
+
A 9
A 7
A 1
A 3
A 5
E 1 E 2 E 5 E 6 E 3 E 4 F 1 F 2 F 3
G 1
G 2
G 3
G 4
G 5 G 6 G 7 G 8 G 9 G10 G11 G12
N O
N O
N O
COM
COM
COM
VRS1
C1 0.1µ/50v
C22 0.1µ/50v
C3 0.1µ/50v
C5 0.1µ/50v
C9 0.01µ/50v
C4 10µ/35v
C6 10µ/35v
C2 1000µ/35v
R2
ZD2
ZD3
C11
22µ
/25v
ZD4
470 1/2w
HZ16-1
HZ5C2
HZ4A2
C7
R7 4.7k
(J1)
D20D21D22D24
C20 10µ/35v
C21 0.1µ/50v
R30 15k
R50 15k
R63 220F
R64 3.3kF
R70 3.3k
IC1 IXA103DR
R71 3.3k
R72 3.3k
R73 3.3k
R74
3.3k
R75
3.3k
R76
3.3k
R79
3.3k
R80
3.3k
R81
3.3k
D70
D71
D72
R77
3.3k
D73
R78
3.3k
D74
D75
D76
D77
(J2)
(J4) 15k
(J6)
(J3)
(J5) 6.8k
(J7)
R100 330 1w
7G 28
6G 27
5G 26
4G 25
3G 24
2G 23
1G 22
P16
P15
P14
P13
P12
P11
P10
20
19
18
17
16
15
13
P9 12
P8 11
P7 10
P6 9
8
7
6
5
4
P5
P4
P3
P2
P1
R91
R92
R93
100k
100k
100k
(C) (B) (A)
D25D26
D31
D23
SP40
R40 3.3k
R8 4.7k
C8
ba
c
d
10G471K
T1
D1
D2
RY4
RY5
DAMPER
MOTOR
AC120V
60Hz
CONV.
MOTOR
FAN
MOTOR
POWER
TRANSFORMER
HEATING
ELEMENT
DOOR
SWITCH
DAMPER
SWITCH
OVEN
THERMISTOR
AH SENSOR
OVEN LAMP
TURNTABLE
MOTOR
RY6
RY2
D30
RY3
RY1
R31 4.7k
R51 4.7k
R62 27kF
CF1 4.19MHz
C70 330pF x 4
(A) (B) (C)
C30 C50 C60
D3
D4
D7
Q1
2SB1238
Q4
DTA123ES
Q3
KRA101M
Q90
KRA101M
Q40
KRA101M
Q21
KRA101M
Q22
KRA101M
Q24
KRA223M
Q25
KRA223M
Q23
KRA101M
Q26
KRC243M
Q20
KRA101M
R10 18 1w
CONTROL UNIT
C10 0.1µ/50v
(VP)
(VP)
F
F
8G
31, 32
1, 2
29
MIX CONV
DEFROST
SENSOR
COOK LBS OZ KG HELP
R90 100k
IC2 IZA495DR
FLUORESCENT DISPLAY TUBE
NOTE : IF NOT SPECIFIED. 1/4w ± 5%
: IF NOT SPECIFIED. 0.01µ/16v
: IF NOT SPECIFIED. 1SS270A
1
12
R11 18 1w
R3 330 1/2w
D1-4 : 11ES1
R4 750 1/2w
1
5
4
8
7
3
VREF
AN7
AN6
AN5
AN4
AN3
AN2
AN1
AN0
P55
P54
P53
P52
P51
P50
P47
P46
P45
P44
P43
P30
P31
P32
P33
P34
P35
P36
P37
P00
P01
P02
P03
P04
P05
P06
P07
P10
P11
P12
P13
P14
P15
P16
P17
P20
P21
P22
P23
P24
P25
P26
P27
P42
P40
RST
XCIN
XCOUT
XIN
XOUT
VSS
INT1
VCC 1
10
15
20
25
30
32 33
35
40
45
50
55
64
60
VEE
AVSS
SENSOR
REHEAT
LOW MIX
BAKE
SLOW
COOK
HELP
GUIDE
KITCHEN
TIMER
POWER
LEVEL
STOP
CLEAR
CLOCK
EASY
MINUTE
AUTO
DEFROST
AUTO
BROIL
AUTO
ROAST
AUTO
BAKE
BROIL
SENSOR
COOK
KEY UNIT
350˚ 375˚ 400˚ 425˚ 450˚
67890
100˚ 150˚ 275˚ 300˚ 325˚
12345
CONVECTION
POPCORN
PREHEAT
START
INSTANT ON
HIGH MIX
ROAST

Other manuals for Dacor DCM24S

Related product manuals