EasyManua.ls Logo

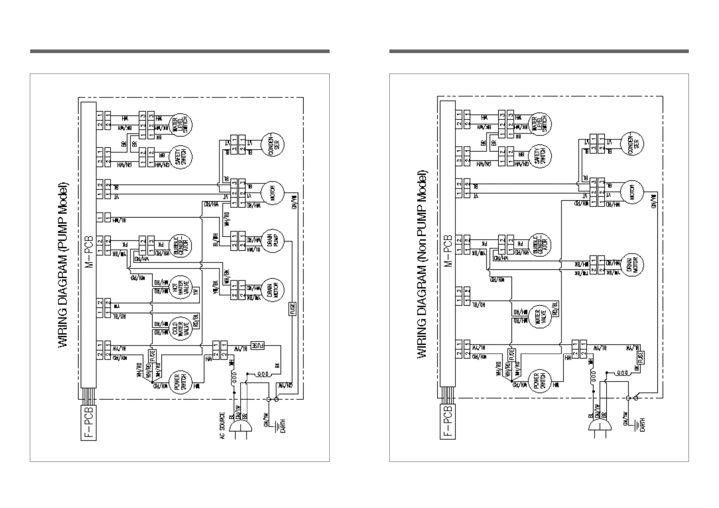
DAEWOO ELECTRONICS DWF-5550 - Appendix; Wiring Diagram (Pump Model)

DAEWOO ELECTRONICS DWF-5550
25 pages
Print Icon
To Next Page IconTo Next Page
To Next Page IconTo Next Page
To Previous Page IconTo Previous Page
To Previous Page IconTo Previous Page
Loading...
2827
WIRING DIAGRAM (PUMP MODEL)
APPENDIX

Related product manuals