EasyManua.ls Logo

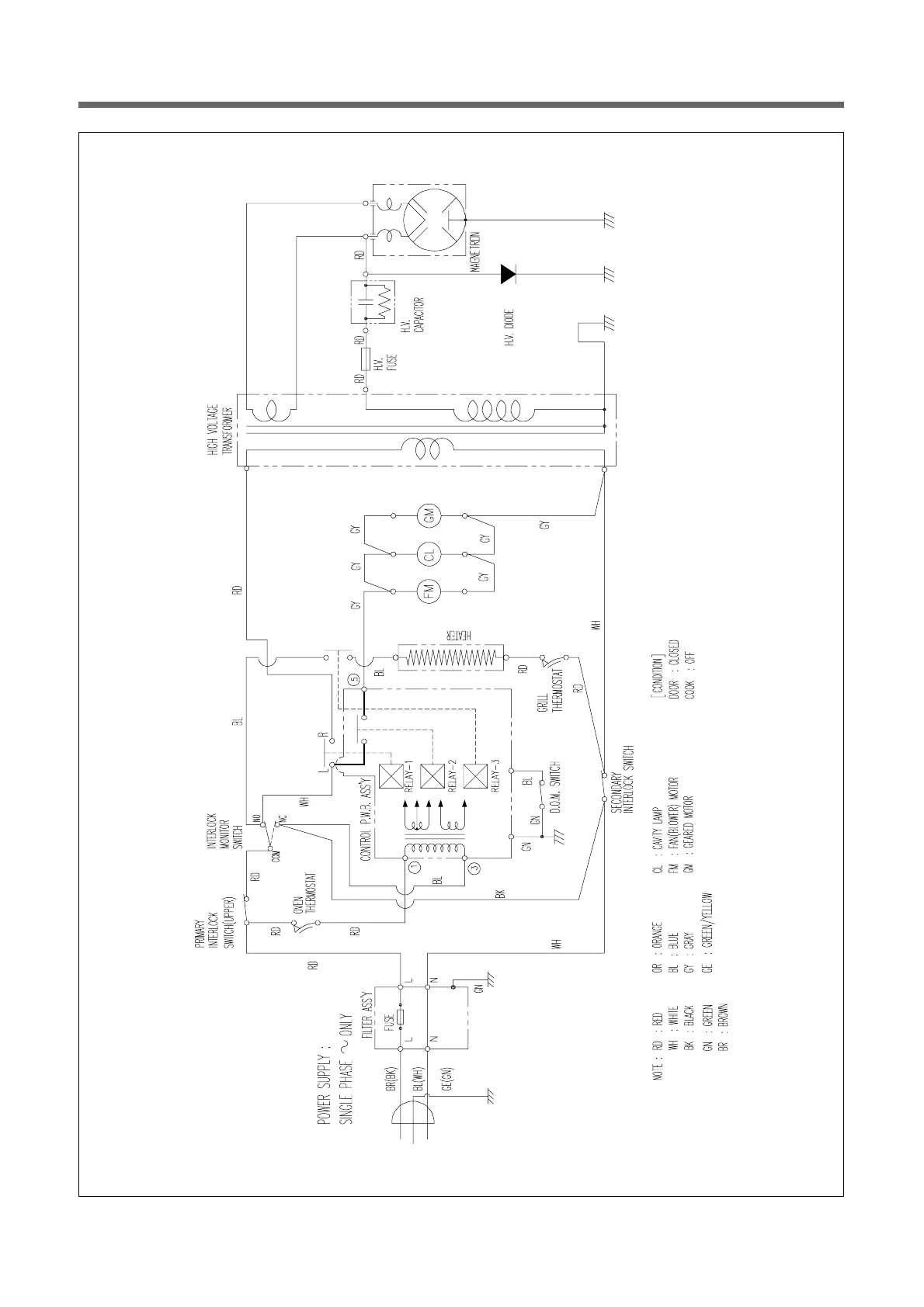
DAEWOO ELECTRONICS KOG-3C6R - Wiring Diagram

DAEWOO ELECTRONICS KOG-3C6R
34 pages
Print Icon
To Next Page IconTo Next Page
To Next Page IconTo Next Page
To Previous Page IconTo Previous Page
To Previous Page IconTo Previous Page
Loading...
26
WIRING DIAGRAM

Related product manuals