EasyManua.ls Logo

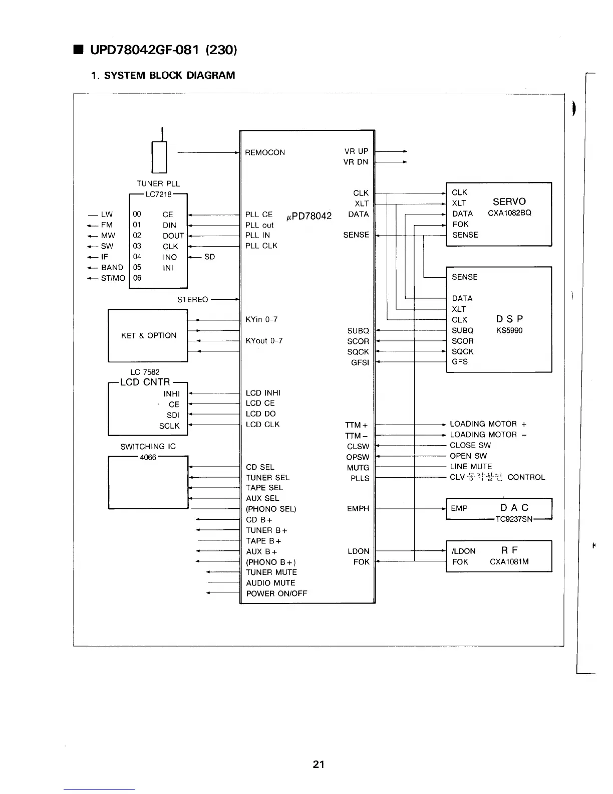
Daewoo AMI-230 - System Block Diagrams; Main System Architecture

Daewoo AMI-230
76 pages
Print Icon
To Next Page IconTo Next Page
To Next Page IconTo Next Page
To Previous Page IconTo Previous Page
To Previous Page IconTo Previous Page
Loading...

Related product manuals