EasyManua.ls Logo

Daewoo AMI-717L - Page 16

Daewoo AMI-717L
26 pages
Print Icon
To Next Page IconTo Next Page
To Next Page IconTo Next Page
To Previous Page IconTo Previous Page
To Previous Page IconTo Previous Page
Loading...
-
16
-
u
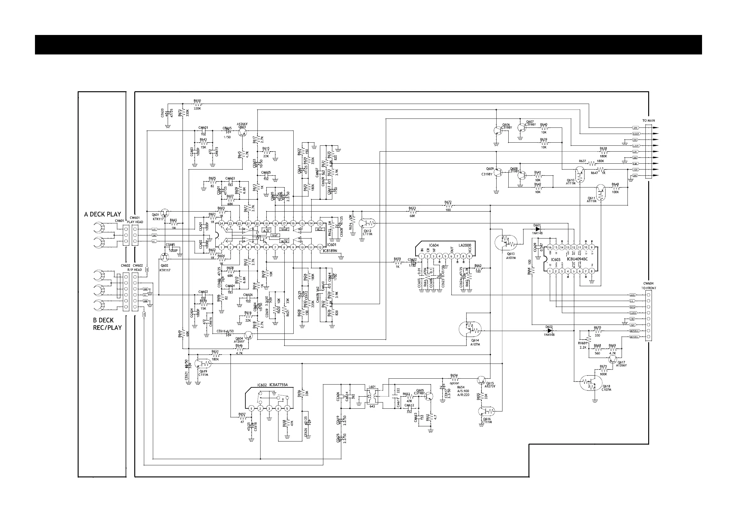
TAPE
w
AMI - 717L / 717R / 817L / 817R / 817LS / 817LSR

Related product manuals