EasyManua.ls Logo

Daewoo CIELO 1998 - Page 36

Daewoo CIELO 1998
68 pages
Print Icon
To Next Page IconTo Next Page
To Next Page IconTo Next Page
To Previous Page IconTo Previous Page
To Previous Page IconTo Previous Page
Loading...
p36.tif
36
ELECTRICALS
NEXIA.
CIELO,
RACER
II
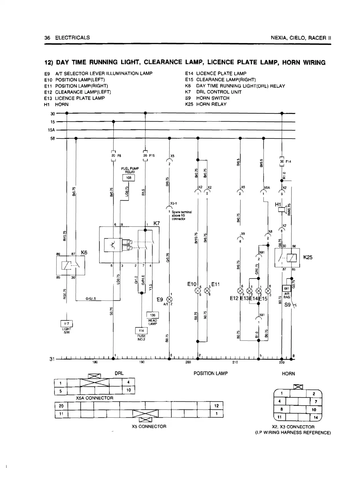
12)
DAV
TIME RUNNING LIGHT, CLEARANCE LAMP, LICENCE PLATE LAMP, HORN WIRING
E9
AiT
$Ee.ECTOR
LEVER
ILLUMINATION
LAMP
E10 POSITION LAMP(LEFT)
E11
POSITION LAMP(AIGHT)
E12
CLEARANCE
....AMP(LEFT'.
E13 LICENCE PLATE LAMP
H1
HORN
E14
LICENCE PLATE
LAMP
E15
CLEARANCE lAMP(RIGHT:
K6 DAY TIME RUNNING LIGHT(DRL) RELAY
K7
DRL CONTROL UNIT
S9
HORN SWITCH
K25 HORN RELAY
3u-+--------------.-------------------+--
1s--+-------.------+---------------------+--
15A
-~------------------------------+--
58
--+---411-------i-----t---
......
---..------
.......
-----e----+--
I
l
s I
I
K6
~
/:p
GrGL5
I
I
180
I
n
20
FS
'--...l
I
5
..
"'
C
g
~I
I
'll
r1i
20
F15
L_J
P~c-
FVMP
I
F!ELAY
G
~I
~1
2 7 4
GJ
FUSE
Nc.o
G__i
tY:::E°i
,:
I
X5A
CON\JE:CTOR
X5
\
2
~
I!!
di
'2
a,
~
X2
X2
,'5
l
XS-1
1
:g;ri11armlnal
,e
X5
GOnr:+,.;tOI
E10
5
5
E11
(.'1
' 6 6
"l
2
POSITION
LAMP
1fJ
X5
E12
,._,c
f:?
BAG
ili
S9
e
HORN
4
8
11
K25
XS
CONNECTOR
X2, X3 CONNECTOR
(I.'-'
WIRINCi
HARNESS
RE•ERENCE)

Related product manuals