Késleltetett Total Stop-pal ellátott és kisfeszültségű gépek:
Amikor a gép működik, a pisztoly ravaszának elengedésével, körülbelül 15 másodperc után a motor
automatikusan leáll, megakadályozva a komponensek kopását a szivattyú by-pass fázisa során
(motor stand-by állapotban).
A pisztoly ravaszának benyomásával a motor automatikusan beindul.
FIGYELEM: ne hagyja stand-by-ban 5 percnél tovább.
A munka végén állítsa a kapcsolót az „OFF” pozícióba.
Húzza meg a kézi szórópisztolyt, amíg a készülék nyomástól mentes lesz.
(Automata Leállító Rendszer)
Késleltetett Total Stop-pal ellátott és kisfeszültségű, intelligens kikapcsolással rendelkező gépek:
Amikor a gép működik, a pisztoly ravaszának elengedésével, körülbelül 15 másodperc után a motor
automatikusan leáll, megakadályozva a komponensek kopását a szivattyú by-pass fázisa során
(motor stand-by állapotban).
A pisztoly ravaszának benyomásával a motor automatikusan beindul.
FIGYELEM ne hagyja stand-by-ban 5 percnél tovább.
Amennyiben a gép stand-by-ban marad 20 percnél hosszabb ideig, a gép automatikusan és teljesen
kikapcsol: a pisztoly ravaszának benyomásával a gép NEM lép működésbe.
Ezért ha a gépet működésbe kívánja hozni, akkor a kapcsolót először az (0)”OFF” majd az (I) „ON”
pozícióba kell állítani.
A munka végén állítsa a kapcsolót az „OFF” pozícióba.
Húzza meg a kézi szórópisztolyt, amíg a készülék nyomástól mentes lesz.
NYOMÁSSZABÁLYOZÓVAL
Amennyiben a berendezést nyomásszabályozóval szerelték fel:
- Minimumra beállított nyomásérték esetén az T.S. nem lép működésbe. Kerülje el, hogy bypass
üzemmódban 1 percnél tovább működtesse a berendezést.
- Kerülje a szórópisztoly ravasz túl nagy gyakorisággal történő meghúzását (mivel hibás működést
okozhat)
A készülék kikapcsolása
FIGYELEM: VESZÉLY
Forrázásveszély forró víz által! Forró vízzel vagy gőzzel történő üzem után a készüléket lehülés
céljából legalább két percig hideg vízzel, nyitott kézi szórópisztollyal kell üzemeltetni.
- Állítsa „0/OFF“-ra a készülékkapcsolót.
- Zárja el a víztápláló-vezetéket.
- Nyissuk ki a kézi szórópisztolyt.
- A szivattyút a készülékkapcsolóval röviden (kb. 5 másodperc) kapcsolja be.
- Csak száraz kézzel húzza ki a hálózati dugót a dugaljból.
- Távolítsa el a vízcsatlakozást.
- Húzza meg a kézi szórópisztolyt, amíg a készülék nyomástól mentes lesz.
4. ALKALMAZÁS
- A berendezést a kialakítása és nagyon egyszerű használata alkalmassá teszi a PROFESSZIONÁLIS
felhasználásra.
- A berendezés használható különböző kültéri felületek tisztítására, ahol a szennyeződések eltávolí-
tásához magasabb nyomású víz használata szükséges.
- Megfelelő, opcionálisan rendelhető tartozékokkal habosításra, homokszórásra és a pisztolyra
felszerelhető forgó mosókefe használatára is lehetőség van..
5. SZIMBÓLUMOK
FIGYELEM: Ne lélegezze be
6. BIZTONSÁG
> BIZTONSÁG
01FIGYELEM: A berendezést kizárólag szabadtéren használja.
FIGYELEM: Ne használja belsőégésű motorral rendelkező gépek belsejében, kivéve, ha a
munkahelyi balesetvédelmi, nemzeti hatóságokmegállapították azt, hogy ott megfelelőszellőzés van.
FIGYELEM: Vizsgálja meg, hogy az elégett gázok kibocsátó nyílásai ne legyenek a levegő beme-
netek közelében.
FIGYELEM: Zárt térben való működtetés esetén biztosítani kell a szükséges légcserét és a
gázok kivezetését.
02 FIGYELEM: Minden egyes munkavégzés befejeztével kapcsolja le a motort és kösse ki a
vízvezetéket.
03 FIGYELEM: Ne használja a berendezést, ha a berendezés fontos egységei meghibásodnak,
pl. biztonsági egységek, magasnyomású pisztoly, stb.
04 FIGYELEM: Ezt a berendezést a gyártó által szállított vagy előírt tisztítószer alkalmazásához
tervezték, melynek típusa környezetben lebomló, felületaktív (tenzides), anionos bázisú, semleges
tisztító sampon. Más tisztítószerek vagy kémiai anyagok alkalmazásával kockáztatja a berendezés
biztonságos működését.
05a FIGYELEM: Ne használja a berendezést más személyek közelében, kivéve, ha az illetők
védőruházatot viselnek.
05b - munkavégzés ideje alatt a berendezés 5 méter sugarú környezetében ne tartózkodjanak
személyek vagy állatok.
05c – minden esettben viseljen megfelelő védőruházatot a magasnyomású vízsugár által elragadott
anyagok esetleges felverődése ellen.
05d – nedves kézzel és mezítláb ne érintse meg a villamos csatlakozó dugót és a berendezést.
05e – lehetőség szerint viseljen védőszemüveget és gumitalpú lábbelit.
06 FIGYELEM: A lándzsa vízsugarát ne irányítsa olyan gépészeti berendezések felé, melyek
kenőzsírt tartalmaznak: ellenkező esetben a megolvadt zsír a talajra folyhat. A gumiabroncsok
és szelepeinek mosása minimum 30 cm távolságból történhet: ellenkező esetben károsodhatnak
a magasnyomású vízsugártól. A károsodás első jele a gumiabroncsok kifakulása.
Károsodott gumiabroncs és szelep használata életveszélyes.
07 FIGYELEM: A magasnyomású vízsugár helytelen használata veszélyt okozhat. A vízsugár
nem irányítható emberekre, állatokra, feszültség alatt lévő villamos berendezésekre és magára a
magasnyomású mosóra.
08 FIGYELEM: A magasnyomású flexibilis tömlők, a tartozékai és csatlakozói fontos egységek
a berendezés biztonságos működése szempontjából.
Kizárólag a gyártó által előírt flexibilis tömlőket, tartozékokat és csatlakozókat használja (különösen
fontos a fenti alkatrészek sértetlenségének a megőrzése, elkerülve a helytelen használatot, a
begyűrődéseket, ütődéseket és kopásokat.
09 FIGYELEM: T.S.(Total Stop ), azaz Automata Leállító Rendszerrel nem rendelkező berendezé-
sek: 2 percnél tovább ne működtesse a berendezést, ha elengedi a pisztolyt. A keringő víz hőmér-
séklete jelentősen megemelkedik, mely a szivattyú súlyos károsodásához vezet.
10 FIGYELEM: T.S.(Total Stop ), azaz Automata Leállító Rendszerrel rendelkező berendezések:
5 percnél tovább ne hagyja standby/ készenléti üzemmódban.
11 FIGYELEM: Kapcsolja ki teljesen a berendezést (főkapcsoló (0) OFF helyzetbe kerül)
amennyiben őrizetlenül hagyja.
12 FIGYELEM: Minden egyes készülék használat közben került bevizsgálásra, ezért elfogadható,
ha néhány vízcseppet talál a berendezés belsejében.
13 FIGYELEM: Figyeljen oda, hogy a villamos vezeték ne sérüljön meg. Amennyiben a tápveze-
ték megsérül, a veszélyes helyzetek elkerülése érdekében cseréltesse ki vezetéket vagy a gyártóval,
vagy szakszervizzel, vagy egy megfelelően szakképzett személlyel.
14 FIGYELEM: A berendezés magasnyomású folyadékkal üzemel. Fogja meg erősen a pisztolyt,
hogy elkerülje a visszaható erőből eredő kellemetlenséget. Kizárólag a berendezéshez tartozó
magasnyomású fúvókákat használjon.
16 FIGYELEM: A készülék használata azon személyek részére (beleértve a gyerekek), akik
nem rendelkeznek megfelelő ismeretekkel és tapasztalattal, csak egy a biztonságukért felelősséget
vállaló, gyakorlott személy felügyelete alatt engedhető meg
17 FIGYELEM: Gyermekek ellenőrzés mellett sem játszhatnak a készülékkel.
18 FIGYELEM: Ne kapcsolja be a berendezést, amíg a magasnyomású tömlőt ki nem göngyölíte-
tte.
19 FIGYELEM: Feltekeréskor és kigöngyölítéskor ügyeljen rá, hogy ne borítsa fel a mosót.
20 FIGYELEM: Feltekeréskor és kigöngyölítéskor a berendezésnek kikapcsolt, a csőnek nyomás-
mentesített állapotban kell lennie (üzemen kívül).
21 FIGYELEM: Robbanásveszély. Ne permetezzen gyúlékony folyadékokat.
22 FIGYELEM: A berendezés biztonsága érdekében kizárólag a gyártótól beszerzett eredeti
vagy gyártó által jóváhagyott cserealkatrészeit használja.
23 FIGYELEM: Ne irányítsa a vízsugarat maga vagy más emberek felé cipő- vagy ruhatisztítás
céljából.
24 FIGYELEM: Ne engedje, hogy a berendezést gyermekek vagy tájékozatlan személyek
használják.
FIGYELEM: A víz visszaáramlását megakadályozó alkatrészeken áthaladt víz emberi fogyasztás-
ra nem alkalmas.
XX FIGYELEM: Minden tisztítási vagy karbantartási művelet előtt csatlakoztassa le a beren-
dezést a villamos hálózatról, a villamos csatlakozók aljzatból történő eltávolításával.
XY FIGYELEM: Nem megfelelő hosszabbítók veszélyesek lehetnek.
XJ FIGYELEM: Amennyiben hosszabbítót használ, a csatlakozódugónak és az aljzatnak
vízállónak kell lennie.
FIGYELEM: A berendezés használata robbanásra alkalmas zónában, vagy környezetben,
teljes mértékben tilos.
FIGYELEM:
- NEDVES KÉZZEL ÉS MEZÍTLÁB NE ÉRINTSE MEG A BERENDEZÉST.
- NE A TÁPVEZETÉKET ÉS MAGÁT A BERENDEZÉST HÚZZA MEG A CSATLAKOZÓ DÚGÓ VILLA-
MOS ALJZATBÓL TÖRTÉNŐ KIHÚZÁSÁHOZ
- ABBAN AZ ESETBEN HA MŰKÖDÉS KÖZBEN ÁRAMSZÜNET LÉPNE FEL, BIZTONSÁGI OKOKBÓL
KAPCSOLJA LE A BERENDEZÉST (OFF).
> BIZTONSÁGI ESZKÖZÖK
FIGYELEM: A pisztolyt biztonsági zárral látták el. Minden egyes alkalommal, amikor megszakítja
a berendezés használatát, zárja rá a biztonsági zárat, hogy megakadályozza a véletlenszerű
működésbe lépést.
- Biztonsági egységek: biztonsági zárral felszerelt pisztoly, túláramvédelemmel ellátott berendezés
(CL. I), bypass szeleppel ellátott szivattyú
- A pisztoly biztonsági nyomógombja nem a kar működés során történő leállítására, hanem vélet-
lenszerű működésbe lépés elkerülésére szolgál.
FIGYELEM: A berendezést egy motorvédelmi eszközzel szerelték fel: ha az eszköz beavatkozik,
akkor várjon pár percet vagy csatlakoztassa le, majd pedig csatlakoztassa vissza a berendezést
a villamos hálózatra. Ha megismétlődik a probléma, vagy nem kapcsol vissza a készülék,
akkor szállítsa el a berendezést a legközelebbi Szakszervizbe.
> STABILITÁS
FIGYELEM: A berendezést biztonságos, stabil, vízszintes felületre kell elhelyezni.
> VÍZELLÁTÁS
Vízcsatlakozások
FIGYELEM (szimbólum): a készülék nem alkalmas az ivóvíz hálózathoz történő csatlakozásra.
A mosó berendezés kizárólag akkor csatlakoztatható az ivóvízhálózathoz, amennyiben a
tápvezetékbe elhelyeztek egy a hatályos előírásoknak megfelelő, ürítő szeleppel felszerelt
visszaáramlás gátló egységet. Győződjön meg arról, hogy a tömlő átmérője legalább Ø 13mm
– ½” (col) és megerősített kivitelű.
FIGYELEM: A víz visszaáramlását megakadályozó alkatrészeken áthaladt víz emberi fogyasztás-
ra nem alkalmas.
FONTOS: Kizárólag szűrt vagy tiszta vizet szívjon fel. A vízellátást biztosító csap térfogatárama
el kell, hogy érje a szivattyú maximális szállító teljesítményének kétszeresét.
- Minimum teljesítmény: 30 l/perc
- Tápvíz maximum hőmérséklete: 40°C
- Tápvíz maximum nyomása: 1Mpa
Helyezze a mosót a lehető legközelebb a vízellátást biztosító vízhálózathoz.
A fenti feltételek be nem tartása a szivattyún súlyos műszaki problémát okozhat és a garancia
elvesztésével jár együtt.
Hálózatról történő vízellátás
· Csatlakoztasson egy flexibilis tömlőt a berendezés vízhez kialakított csatlakozójához és a víz
betápláláshoz.
· Nyissa meg a csapot.
Nyitott tartályból történő vízellátás
· Csavarja le a tápvezeték csatlakozóját.
· Csavarja fel a szűrővel ellátott szívócsövet (nem tartozik a szállítási terjedelemhez) a berendezés
vízhez kialakított csatlakozójára.
· Merítse a szűrőt a tartályba.
· Használat előtt légtelenítse a berendezést
· Csavarja le a magasnyomású tömlőt a berendezés magasnyomású csatlakozójáról
· Kapcsolja be a berendezést és addig működtesse, amíg a víz buborékmentesen lép ki a
magasnyomású csatlakozóból.
· Kapcsolja ki a berendezést és csavarja vissza a magasnyomású flexibilis tömlőt.
> VILLAMOS ELLÁTÁS
- A berendezés villamos csatlakozásának meg kell felelnie az IEC 60364-1 szabványnak.
MINŐSÍTETT VILLANYSZERELŐHÖZ kell fordulni a következő esetekben:
- felhasználó országában érvényben lévő szabályok szerinti dugót kell használni a gép bekötésére,
amennyiben a táphuzalon ez nem lenne feltéve és a berendezés nem fix bekötésre kerülne;
FONTOS: Mielőtt csatlakoztatná a berendezést, győződjön meg arról, hogy az adattábla
adatai megegyeznek a villamos hálózat adataival, ill. hogy a villamos aljzat rendelkezik életvédelmi
relével (FI-relé), melynek kioldási érzékenysége maximum 0,03 A - 30ms.
- Amennyiben a berendezés csatlakozó dugója és az aljat nem kompatibilisek, cseréltesse ki az
aljzatot a megfelelőre egy felkészült szakemberrel.
- Ne használja a berendezést 0°C-nál alacsonyabb hőmérsékleten, ha PVC (H VV-F) kábellel
van felszerelve.
XY FIGYELEM: Nem megfelelő hosszabbítók veszélyesek lehetnek.
XJ FIGYELEM: Amennyiben hosszabbítót használ, a csatlakozódugónak és az aljzatnak vízálló-
nak kell lennie és az alábbi táblázatban található méretekkel kell rendelkeznie.
> FÜSTELVEZETŐ CSŐ ELHELYEZÉSE ZÁRT HELYEN
(lásd M ábra)
FIGYELEM: Zárt térben való működtetés esetén biztosítani kell a szükséges légcserét és a
gázok kivezetését.
Néha szükség van füstelvezető cső használatára az égéstermékeknek a magas nyomású mosóból.
Ez a probléma nem jelentkezik, ha a gépet a szabadban használja, de ha telepítése zárt helyen
történik, be kell tartani néhány, az alábbiakban felsorolt figyelmeztetést.
- A füstelvezető cső kialakítása mindig emelkedő, lehetőleg függőleges, és ha lehet, hossza ne
haladja meg az 5 métert.
- A csövön kalapszerű fedélnek kell lennie, hogy megakadályozza az esővíz behatolását a felső
végen, nyilvánvalóan anélkül, hogy akadályozza a füst távozását.
- A füstelvezető cső A keresztmetszete háromszorosa kell legyen a gép kémény kimenetének B
és attól legalább 20 cm-re kell lennie.
Ezután ki kell hangsúlyozni az alábbi pontok fontosságát, hogy a lehető legnagyobb mértékben
korlátozzuk a kondenzátum gépbe kerülését.
A füstelvezető csőben kicsapódó és a gépbe bejutó kondenzvíz rendkívül korrozív a kazánra és a
szerpentincsőre. Tulajdonképpen kénsavat tartalmaz, és kb. 180° C-on kezd le kicsapódni. Meg kell
próbálni elkerülni a kondenzációt, és a kondenzátum nem juthat be a gépbe.
Ennek az utasításnak a figyelmen kívül hagyása rövid időn belül a gép károsodását okozhatja.
KÉMÉNY BEVEZETÉS KERESZTMETSZETE:
3-szorosa a minimális kémény keresztmetszetnek
Csővezeték átmérője = 150 mm
KÉMÉNY BEVEZETÉS KERESZTMETSZETE 2 KAZÁNHOZ:
6-szorosa a minimális kémény keresztmetszetnek
Csőátmérő = 225 mm
7. HASZNÁLAT
> KICSOMAGOLÁS
(lásd B ábra)
Távolítsa el az alsó és felső kampókat, melyek a dobozt a raklaphoz rögzítik. Fejtse le a papírkeretet,
támassza le a gép két kerekét a földre, majd pedig húzza ki alóla a raklapot.
> BERENDEZÉS LEÍRÁSA
(lásd A ábra)
① Szivattyúkapcsoló
② Égő szabályozó
③ Tisztítószer szabályozó
④ Nyomásmérő
⑤ Égő kapcsoló
- -
⑦ Magasnyomású víz kimenet
⑧ Víz bemenet + szűrő
⑨ Szórópisztoly
⑩ Szórószár
⑪ Magasnyomású tömlő
⑫ Tömlő csatlakozó
⑬ Fúvóka
⑭ Gázolaj
> ÜZEMBE HELYEZÉS ÉS INDÍTÁS
FELTÖLTÉS
Gázolaj (lásd A ábra)
Használt gázolaj típusának megnevezése:
Dízel üzemanyag adalékok nélkül.
Töltse fel a tartályt az műszaki adattáblán szereplő tüzelőanyaggal (Gázolaj)
Kerülje el, hogy a tartály működés közben ürüljön le, mivel károsodhat az olajszivattyú.
FIGYELEM: Nem megfelelő tüzelőanyag használata
veszélyt okozhat.
Tisztítószer (lásd A ábra) Töltse fel a tisztítószer tartályt az elvégzendő mosás típusának megfelelő
termékkel.
FIGYELEM: Kizárólag folyékony tisztítószert használjon, teljes mértékben elkerülve a savas és
erősen lúgos termékeket. Ajánljuk saját termékeink alkalmazását, melyeket kifejezetten a magasnyo-
mású mosókban történő használatra fejleszttettünk ki.
> ÜZEMBE HELYEZÉS
(CDEFG ábrák)
- Ellenőrizze, hogy a főkapcsoló „OFF”(0) helyzetben legyen és a vízszűrő be legyen építve a
szivattyú (BEMENET) szívócsonkjába.
- Csavarja be kézzel a gyorscsatlakozót, szerszámok segítsége nélkül.
- Csatlakoztassa a tápvízvezetéket a gyorscsatlakozóhoz.
A vezeték belső átmérője minimum 13 mm (1/2”) kell legyen.
- Csatlakoztassa a magasnyomású tömlőt a szivattyú (KIMENET) kilépő csonkjára. A magasnyomá-
sú tömlőcsatlakozót nyomja be teljesen, majd csavarja be kézzel, szerszámok segítsége nélkül.
- Csatlakoztassa a magasnyomású tömlőt a szórópisztolyhoz.
- Nyissa ki teljesen a vízcsapot. A víz hőmérséklete alacsonyabb kell, hogy legyen, mint 40°C.
FONTOS: A magasnyomású mosónak tiszta vízzel kell működnie azért, hogy elkerülje a
mosó meghibásodását.
- Oldja ki a szórópisztoly biztonsági zárát és tartsa meghúzva a ravaszt, folyassa a vizet, amíg az
összes levegő távozik.
- Szerelje fel a szórószárat a szórópisztolyra.
- Szerelje fel a fúvókát a szórószárra.
- Helyezze be a csatlakozódugót a villamos aljzatba.
> ELSŐ INDÍTÁS
Az első indításkor vagy hosszabb, használat nélküli időszak után csak a szívóvezetéket szükséges
csatlakoztatni néhány percre, hogy az előremenő csonkon keresztül eltávolítsa a szennyeződéseket.
Ebben az esetben a fúvókák nem tömődnek el.
> INDÍTÁS
(lásd H ábra)
- A nagynyomású mosó minden használata alkalmával ügyeljen a szórópisztoly helyes fogására
úgy, hogy az egyik kezével a markolatot, a másikkal pedig a szórószárat tartsa.
- A berendezés indításához állítsa a főkapcsolót az „ON” pozícióba és egyidejűleg húzza meg a
szórópisztoly ravaszát.
> Melegvizes mosás:
(lásd A ábra) Fordítsa el az égő kapcsoló szabályozógombját és válassza ki a kívánt hőmérsékletet
(lásd A ábra) A tisztítószer vagy fertőtlenítő anyag vízsugárral való keveréséhez nyissa a szabályozót
a kívánt mennyiségig, amint azt a „TISZTÍTÓSZER FELSZÍVÁSA” fejezet leírja.
FIGYELEM: Zárt térben való működtetés esetén biztosítani kell a szükséges légcserét és a gázok
kivezetését.
> Használat 100°C feletti hőmérsékletre beállított termosztát esetén.
Amikor a munkavégzés 100°C-nál magasabb hőmérsékletű anyagokkal zajlik, végezze el a következő
műveleteket:
- Az üzemi nyomás nem haladhatja meg a 32 bar-t.
- A nyomás beállítható a szivattyú bypass ágára szerelt szabályozógomb segítségével.
- Szerelje fel a gőzös fúvókát, kódja 3.749.0183 (OPCIONÁLIS, NINCS A TARTOZÉKOK KÖZÖTT)
> TISZTÍTÓSZER FELSZÍVÁSA
alacsony nyomáson (ha rendelkezésre áll)
(lásd I ábra)
A szabályozható szórófej lehetővé teszi a vízsugár alacsony vagy magas nyomásának kiválasztását.
A nyomás kiválasztása a szórófej elfordításával kivitelezhető.
A nyomás növeléséhez fordítsa el a szabályozható szórófejet az óramutató járásával megegyező
irányba, a nyomás csökkentéséhez fordítsa el az óramutató járásával ellentétes irányba. A tisztí-
tószer felszívása automatikusan megtörténik, amikor a szórószár szabályozható szórófeje az alac-
sony nyomású üzemi állapot felé van elfordítva (óramutató járásával ellentétes irányba).
> TISZTÍTÓSZER FELSZÍVÁSA
magas nyomáson
(ha rendelkezésre áll)
(lásd I ábra)
A tisztítószer vízzel történő keveredése automatikusan megvalósul a vízen történő áthaladással.
A felszívott tisztítószer mennyisége a tisztítószer szabályozógombján beállított mennyiségtől függ.
FIGYELEM: Kizárólag folyékony tisztítószert használjon, teljes mértékben elkerülve a savas
és erősen lúgos termékeket. Ajánljuk saját termékeink alkalmazását, melyeket kifejezetten a
magasnyomású mosókban történő használatra fejleszttettünk ki.
- Kézi szórópisztolyt biztosítani.
A készülék tárolása
- A sugárcsövet a készülék fedelének tartójába kattintsa be.
- A magasnyomású tömlőt és az elektromos vezetéket tekerje fel és akassza a tartóra.
Készülék tömlődobbal:
- A magasnyomású tömlőt a feltekerés előtt nyújtva fektesse le.
- Fordítsa el a kézi forgatókart az óra járásával megegyezően (nyílirány).
Megjegyzés: A nagynyomású tömlőt és a villamos vezetéket nem szabad megtörni.
- A készüléket száraz helyiségben kell tárolni, a berendezés távol a gyermekek.
- A készüléket fagymentes helyen kell tárolni.
- Ezt a készüléket csak beltéri helyiségben szabad tárolni.
8. KEZELÉS ÉS KARBANTARTÁS
PROGRAMOZOTT KARBANTARTÁSI PROGRAM
Tekintsd meg a www.lavorservice.com honlapot és töltsd le a programozott karbantartási tervet.
(lásd L ábra)
FONTOS: Mielőtt a mosón bármilyen karbantartási tevékenységhez hozzákezdene, nyomásmen-
tesítse a berendezést és távolítsa el a vízellátás vezetékeit
SZIVATTYÚ OLAJSZINT ELLENŐRZÉSE
Ellenőrizze az olajszintet rendszeres időközönként.
Az olajcserét először 50 üzemóra, azt követően pedig 500 üzemóra után kell elvégezni. Javasoljuk a
következő olajtípusokat: SAE 20/30, 15W-40, 20W-40.
SZÍVÓCSŐ VÍZSZŰRŐJÉNEK ELLENŐRZÉSE
Ellenőrizze és tisztítsa meg a szívócső bemeneti csatlakozójánál elhelyezett vízszűrőt rendszeres
időközönként.
GÁZOLAJSZŰRŐ TISZTÍTÁSA
Ellenőrizze az olajszűrőt rendszeres időközönként, és ha tönkrement vagy nagymértékben szenn-
yeződött, akkor cserélje ki.
VÍZKŐMENTESÍTÉS
A vízkőmentesítést rendszeres időközönként speciális készítményekkel kell elvégezni. A gyakoriság
a vízkeménységtől függ. Egy legalább 30 literes tartály vízhez öntsön 15 literenként 1 liter készít-
ményt. Szerelje le a szórópisztolyt a magasnyomású tömlőről, a tömlő szabad végét merítse a
tartályba, oly módon hogy egy zárt kör alakuljon ki, majd pedig szívja fel a készítményt a nagynyo-
mású mosóval legalább 10 percig. Javasolható, hogy az előremenő ág tömlővégét egy vászon- vagy
szűrőzsákon keresztül ürítse, hogy elkerülje a kilépő vízkő zárt körbe történő vis- szakeverését.
Ezek után állítsa vissza az eredeti csatlakozásokat és bő hideg vízzel öblítse át a berendezést.
Javasoljuk, hogy a műveleteket a hivatalos szerviz szakemberei végezzék el, mivel a vízkőoldó készít
mények használata az alkatrészek kopásához vezethet.
A vízkőoldó, mint hulladék kezelését a hatályos jogszabályok szerint végezze el.
Vízlágyító tartály (opcionális – ha rendelkezésre áll) A vízkőmentesítést rendszeres időközönként
speciális készítményekkel kell elvégezni. A gyakoriság a vízkeménységtől függ. Javasoljuk,
hogy a fenti műveleteket a hivatalos szerviz szakemberei végezzék el, mivel a vízkőoldó készítmén-
yek használata az alkatrészek kopásához vezethet. A vízkőoldó, mint hulladék kezelését a hatályos
jogszabályok szerint végezze el.
- Töltse fel a vízlágyító tartályt a saját készítményünkkel (semmiképpen nem korrozív). Az
adagolás egy beállított átlagérték alapján történik, melyet a hivatalos szakszerviz hozzáigazíthat
a helyi feltételekhez.
KAZÁN TISZTÍTÁSA
FIGYELEM: A kazán, a magasnyomású szivat- tyú és a mosó minden egyes karbantartási
műveletéhez forduljon szakképesítéssel rendelkező személyhez vagy hivatalos szakszervizhez.
A kazán tisztítását rendszeres időközönként, 180 – 200 üzemóra után a következőkben leírtak szerint
kell elvégezni:
- Szerelje le a fúvókatartót és az elektródatartót (égő keverőfej)
- Tisztítsa meg sűrített levegővel a fúvókaszűrőt és ellenőrizze az elektródák helyzetét.
- Távolítsa el a kazánfedelet és tisztítsa meg a deflektort, melynek fedelét bontsa ki kézzel.
- Csavarozza ki a csőkígyót rögzítő csavaranyákat és emelje ki a csőkígyót a kazánból.
- Egy drótkefével tisztítsa meg a csőkígyót.
- Távolítsa el (porszívóval) a kazán lerakódásait.
- Szerelje vissza az alkatrészeket a leírt műveletek fordított sorrendben történő elvégzésével.
FIGYELEM: A teljes ellenőrzést és a tüzeléstechnikai beállításokat a törvény előírásai szerint
rendszeres időközönként el kell végezni, egy szakképzett személy vagy a hivatalos szakszerviz
által.
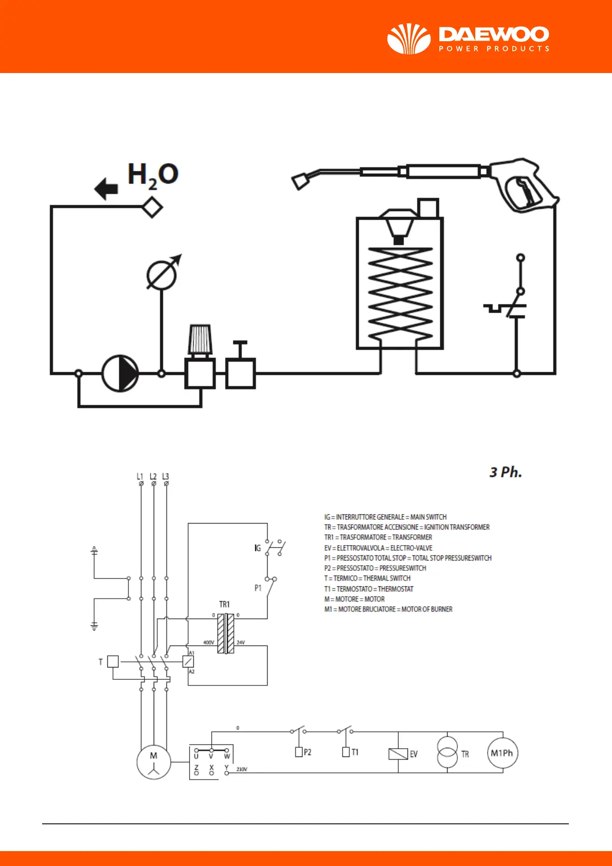
VILLAMOS KAPCSOLÁSI RAJZ
(lásd a rajzokat a 7-8. oldalon).
HIDRAULIKUS KAPCSOLÁSI RAJZ
(lásd a rajzokat a 7-8. oldalon)
> JAVÍTÁSOK – CSEREALKATRÉSZEK
A jelen kézikönyvben nem említett esetleges meghibásodások, illetve a készülék alkatrészeinek
törése esetén, kérjük, forduljon a hivatalos szakszervizhez a javítások vagy az eredeti cserealka-
trészekre történő esetleges cseréjéért. Kizárólag eredeti cserealkatrészeket használjon.
> GARANCIÁLIS FELTÉTELEK
Minden készülékünk szigorú minőségellenőrzési folyamatokon esett át, és a helyi törvényeknek
megfelelően a garancia kiterjed a gyártási hibákra (minimum 12 hónap). A garancia a vásárlás napjá-
tól érvényes. A magasnyomású mosó és tartozékainak garanciális időszakon belül történt javításai
esetén csatolja a számla másolatát.
A garancia kizárólag a következőkre terjed ki: - Anyaghiba vagy gyártási hiba. – A jelen gépkönyvben
található utasítások betartása. – A javításokat arra jogosult szakember végezte el. – Eredeti alka-
trészeket használtak fel. – A magasnyomású mosó nem volt kitéve túlterhelésnek, ütéseknek, jégnek
és nem ejtették le. – Kizárólag tiszta vízzel használták. –
A magasnyomású mosót nem adták bérbe vagy más egyéb módon nem volt tárgy semmilyen keres-
kedelmi/ professzionális tevékenységnek.
A garancia köréből kizárásra kerülnek: - A normál elhasználódásnak kitett részek. – A magasnyomá-
sú tömlő és opcionális tartozékok. - A véletlen károk, melyek nem megfelelő szállításból, gondatlan-
ságból vagy nem rendeltetésszerű kezelésből, helytelen vagy hibás használatból, beüzemelésből, és
9
HIDRAULIKUS KAPCSOLÁSI RAJZ
VILLAMOS KAPCSOLÁSI RAJZ
a használati utasításban leírt figyelmeztetések figyelmen kívül hagyásából származnak. – A garancia
nem veszi figyelembe a működő egységek tisztítását.
A garanciális javítás magában foglalja a hibás alkatrészek cseréjét, de kizárásra kerül a csomagolás
és a szállítás. Kizárásra kerül az üzemzavar elhárítása következményeként a berendezés cseréje és
a garancia meghosszabbítása. A gyártó elhárítja a felelősséget minden olyan személyi vagy anyagi
kár esetén, melyek a berendezés helytelen vagy hibás használatból és beüzemelésből erednek
FIGYELEM: A fúvóka eltömődésből eredő hibákat vagy a vízkőlerakodások miatt bekövetkező
gépleállásokat, az alkatrészhibákat (pl. tömlő megtörése) és/vagy a gépeket, melyek nem mutatnak
hibát, NEM FEDI LE A GARANCIÁ.
> HULLADÉKKEZELÉS
Villamos vagy elektromos készülék tulajdonosaként, a törvény (a 2003. január 27-i EU 2012/19
megfelelően az Ön számára is tiltja a jelen termék vagy annak villamos/elektromos alkatrészeinek
háztartási hulladékként történő kezelését, ezzel szemben előírja, hogy az erre a célra kialakított
hulladékgyűjtő pontoknál adja le. A termék a forgalmazónál közvetlenül is leadható hulladékkezelés-
re, amennyiben egy újabb, a korábbival azonos terméket vásárol. A termékek környezetünkben
történő elhagyásának súlyos környezetszennyező és egészségkárosító hatása van. Az ábrán látható
szimbólum a háztartási hulladéktárolót jelöli, melyben a bemutatott berendezést tilos elhelyezni. A
2012/19/CE irányelvek útmutatásainak és különböző országok életbe léptetett rendeleteinek be nem
tartása jogilag szankcionálható.
9. MŰKÖDÉSI ZAVAROK ÉS MEGOLDÁSOK
Mielőtt bármilyen beavatkozást végezne el, áramtalanítsa, víztelenítse és nyomásmentesítse a
berendezést.
Következetesen hajtsa végre az alábbi táblázat szerinti hibakeresést; ha ennek ellenére nem sikerül
elhárítani a működési zavart, forduljon segítségért a hivatalos szakszervizhez.