EasyManua.ls Logo

Daewoo DHPW7300 - Page 379

Daewoo DHPW7300
419 pages
Print Icon
To Next Page IconTo Next Page
To Next Page IconTo Next Page
To Previous Page IconTo Previous Page
To Previous Page IconTo Previous Page
Loading...
PL
9
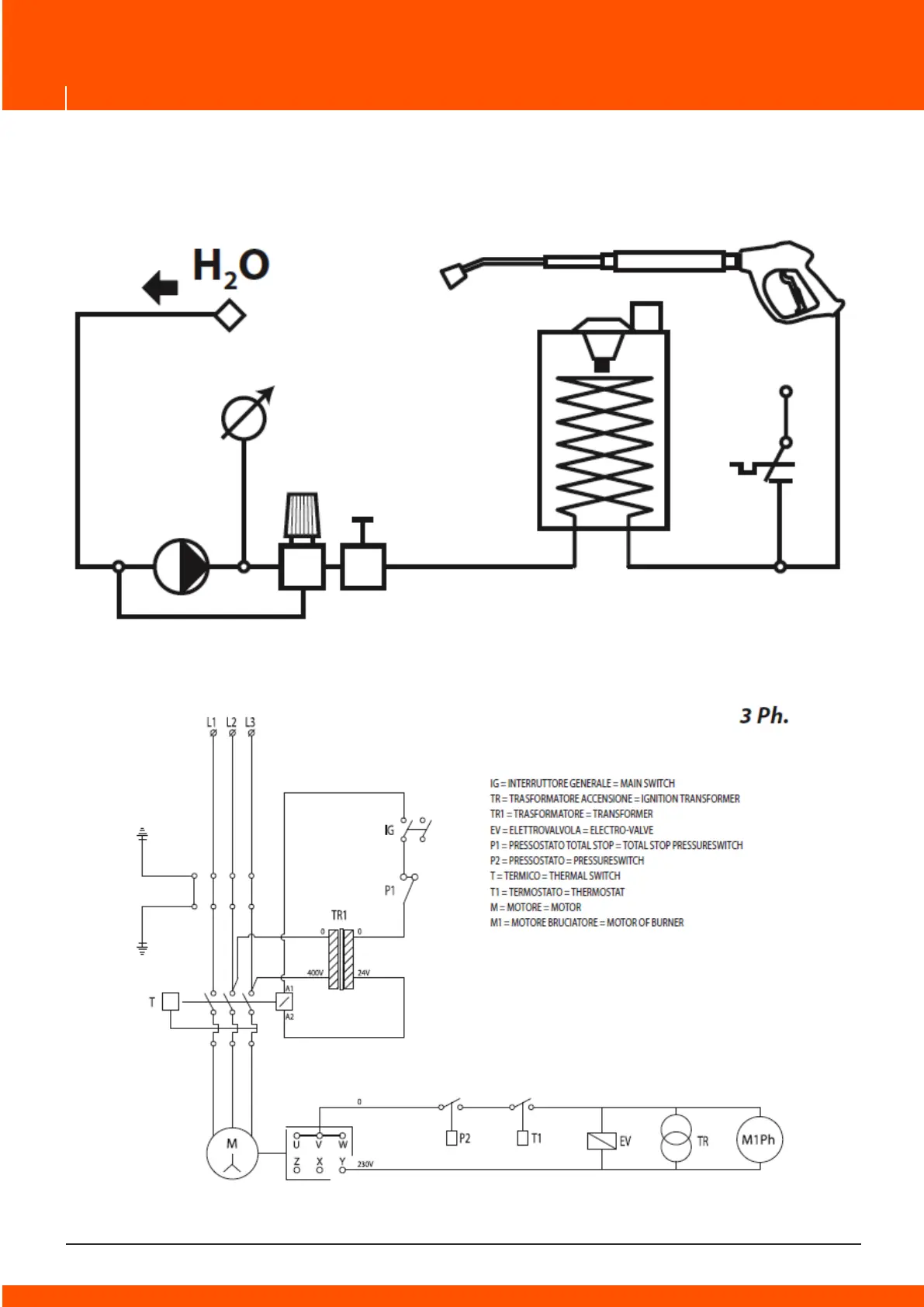
WATER DIAGRAM
ELECTRIC DIAGRAM

Table of Contents

Related product manuals