EasyManua.ls Logo

Daewoo DSB-071AH - Page 66

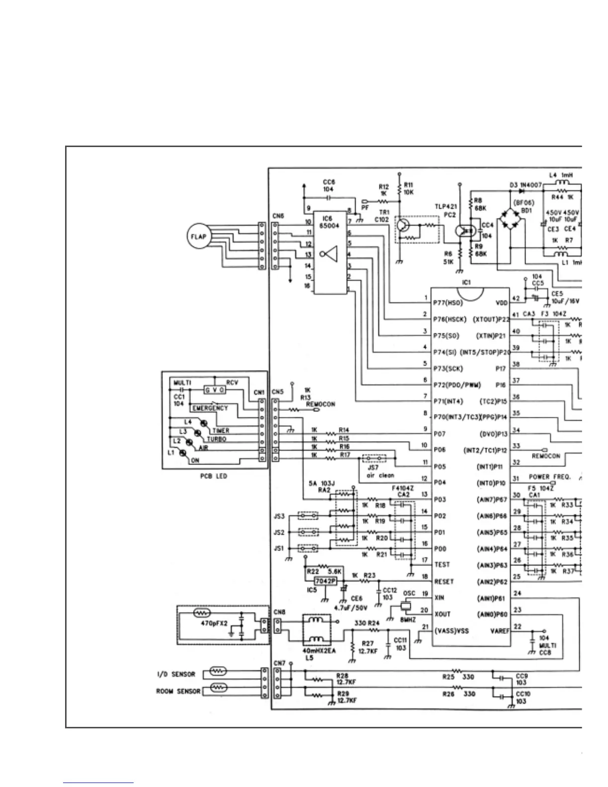
Daewoo DSB-071AH
131 pages
Print Icon
To Next Page IconTo Next Page
To Next Page IconTo Next Page
To Previous Page IconTo Previous Page
To Previous Page IconTo Previous Page
Loading...
64
DSB-093AH/123AH/123PH
*