EasyManua.ls Logo

Daewoo DSB-071AH - Page 67

Daewoo DSB-071AH
131 pages
Print Icon
To Next Page IconTo Next Page
To Next Page IconTo Next Page
To Previous Page IconTo Previous Page
To Previous Page IconTo Previous Page
Loading...
4
*
*
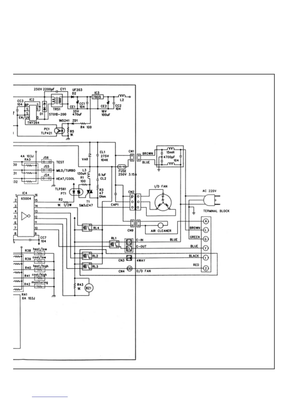
: Heat Pump Model Only